BLACK+DECKER 10IN DRILL PRESS BDDP100 Ersatzteile
BDDP100 10IN DRILL PRESS

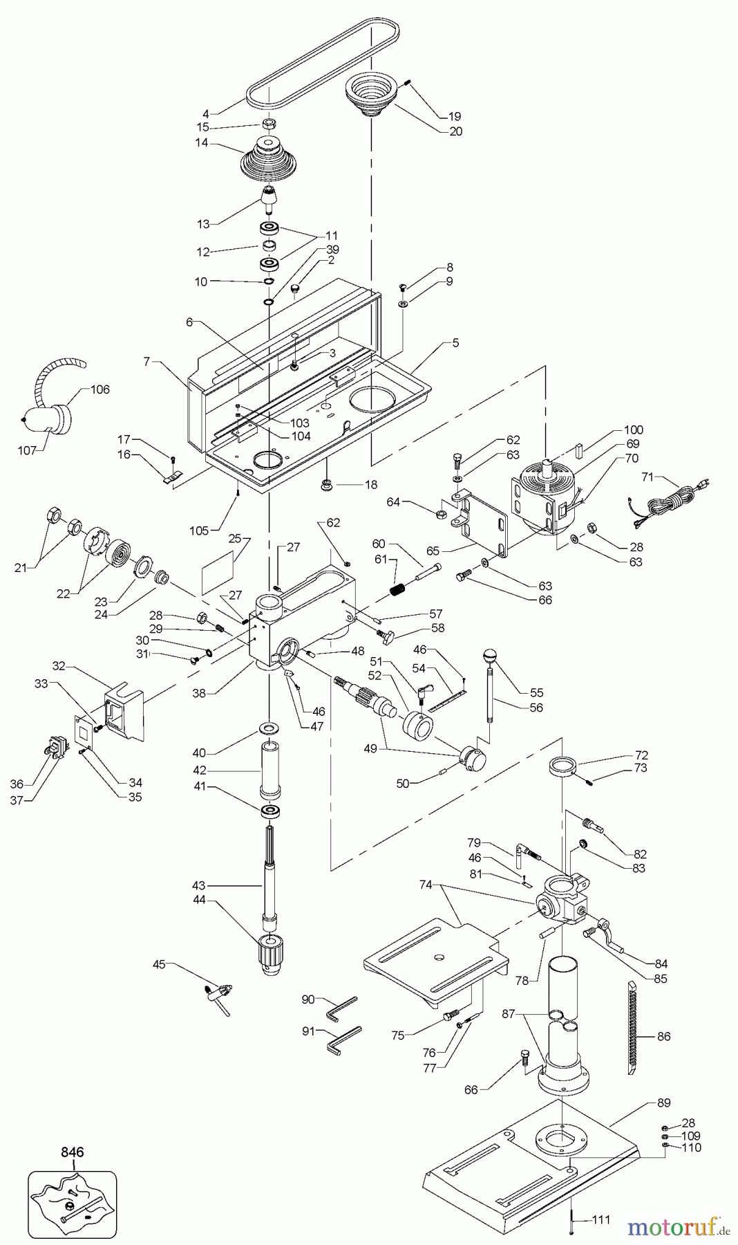
Hier finden Sie die Ersatzteilzeichnung für BLACK+DECKER Divers 10IN DRILL PRESS BDDP100 Seite 1. Wählen Sie das benötigte Ersatzteil aus der Ersatzteilliste Ihres BLACK+DECKER Gerätes aus und bestellen Sie einfach online. Viele BLACK+DECKER Ersatzteile halten wir ständig in unserem Lager für Sie bereit.


Qualitätsmanagement
Informieren Sie uns, wenn Sie einen Fehler gefunden haben.

