BOSTITCH 20V 16GA STR FIN NA BCN662D1 Ersatzteile
BCN662D1 20V 16GA STR FIN NA

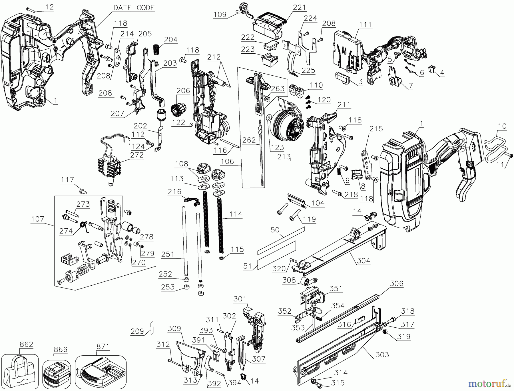
Hier finden Sie die Ersatzteilzeichnung für BOSTITCH NAILERS 20V 16GA STR FIN NA BCN662D1 Seite 1. Wählen Sie das benötigte Ersatzteil aus der Ersatzteilliste Ihres BOSTITCH Gerätes aus und bestellen Sie einfach online. Viele BOSTITCH Ersatzteile halten wir ständig in unserem Lager für Sie bereit.