BERNER HAMMER BBH540 Ersatzteile
BBH540 HAMMER

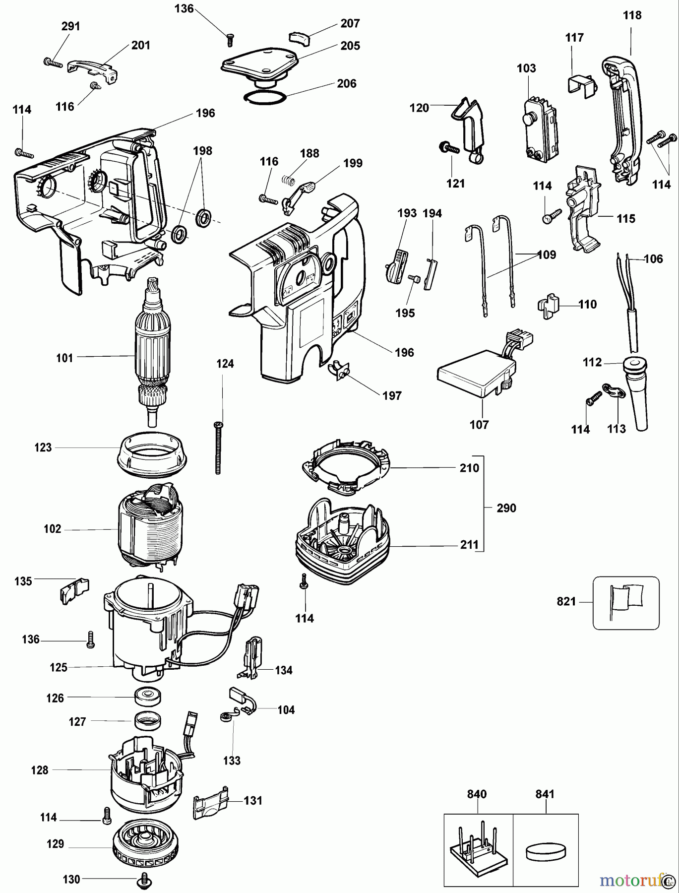
Hier finden Sie die Ersatzteilzeichnung für BERNER Divers HAMMER BBH540 Seite 4. Wählen Sie das benötigte Ersatzteil aus der Ersatzteilliste Ihres BERNER Gerätes aus und bestellen Sie einfach online. Viele BERNER Ersatzteile halten wir ständig in unserem Lager für Sie bereit.


Qualitätsmanagement
Informieren Sie uns, wenn Sie einen Fehler gefunden haben.

