Einstellungen Computer

MAC SCHLAGSCHRAUBENSCHL. AWP050 Ersatzteile

AWP050 SCHLAGSCHRAUBENSCHL.

 MAC POWER TOOLS SCHLAGSCHRAUBENSCHL. AWP050 Seite 1

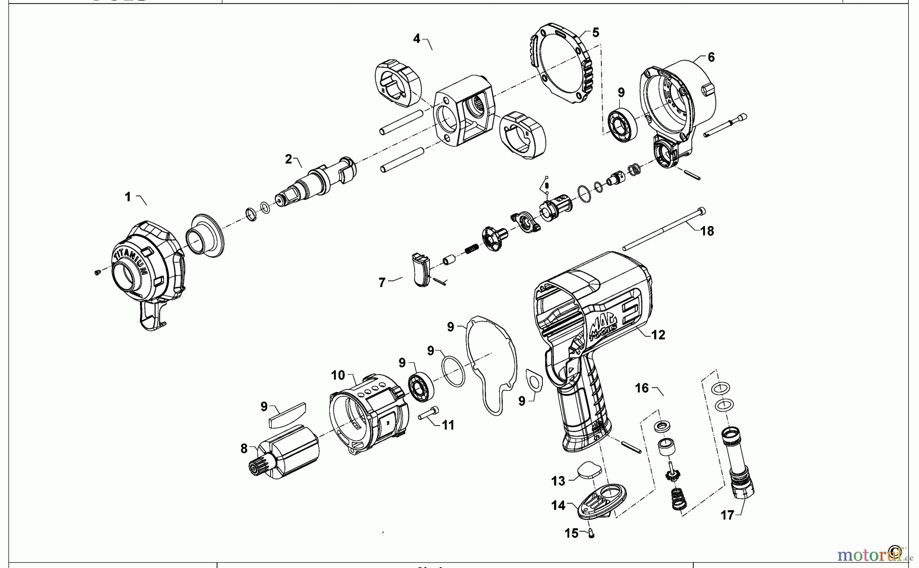
Hier finden Sie die Ersatzteilzeichnung für MAC POWER TOOLS SCHLAGSCHRAUBENSCHL. AWP050 Seite 1. Wählen Sie das benötigte Ersatzteil aus der Ersatzteilliste Ihres MAC Gerätes aus und bestellen Sie einfach online. Viele MAC Ersatzteile halten wir ständig in unserem Lager für Sie bereit.

Rasen
Bankeinzug, MasterCard, Visa, American Express, PayPal, Nachnahme, Vorauskasse, Sofortüberweisung
Datenschutzerklärung Impressum
Qualitätsmanagement
Informieren Sie uns, wenn Sie einen Fehler gefunden haben.