MAC SCHLAGSCHRAUBENSCHL. AWMC140 Ersatzteile
AWMC140 SCHLAGSCHRAUBENSCHL.

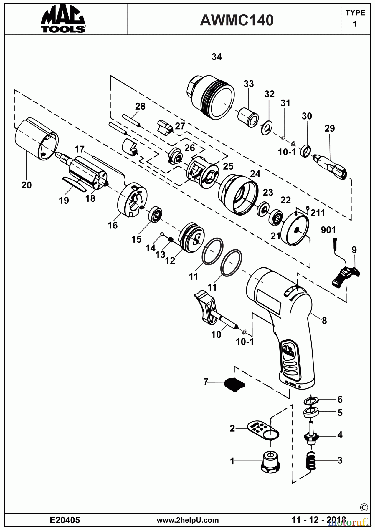
Hier finden Sie die Ersatzteilzeichnung für MAC POWER TOOLS SCHLAGSCHRAUBENSCHL. AWMC140 Seite 1. Wählen Sie das benötigte Ersatzteil aus der Ersatzteilliste Ihres MAC Gerätes aus und bestellen Sie einfach online. Viele MAC Ersatzteile halten wir ständig in unserem Lager für Sie bereit.


Qualitätsmanagement
Informieren Sie uns, wenn Sie einen Fehler gefunden haben.

