MAC SCHLAGSCHRAUBENSCHL. AW5500QM Ersatzteile
AW5500QM SCHLAGSCHRAUBENSCHL.

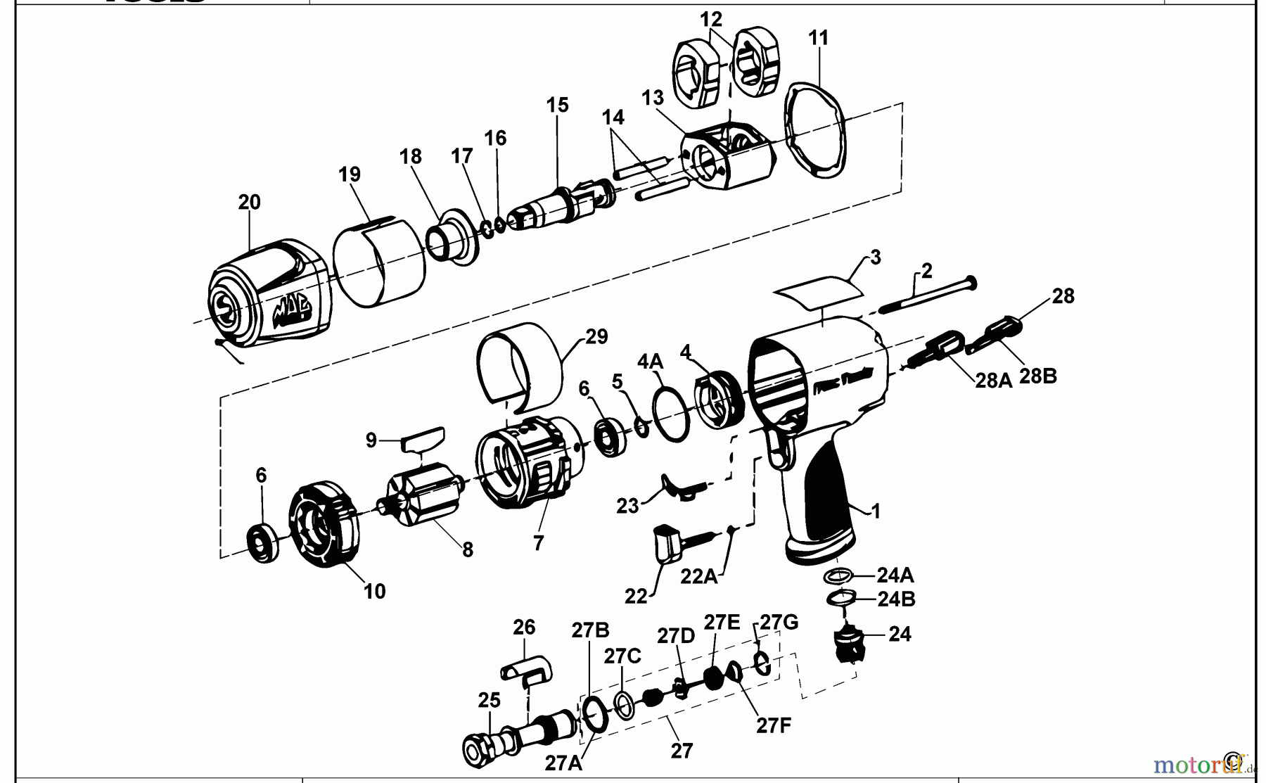
Hier finden Sie die Ersatzteilzeichnung für MAC POWER TOOLS SCHLAGSCHRAUBENSCHL. AW5500QM Seite 1. Wählen Sie das benötigte Ersatzteil aus der Ersatzteilliste Ihres MAC Gerätes aus und bestellen Sie einfach online. Viele MAC Ersatzteile halten wir ständig in unserem Lager für Sie bereit.



