MAC LUFTDR.-BOHRMASCHINE ADPC120 Ersatzteile
ADPC120 LUFTDR.-BOHRMASCHINE

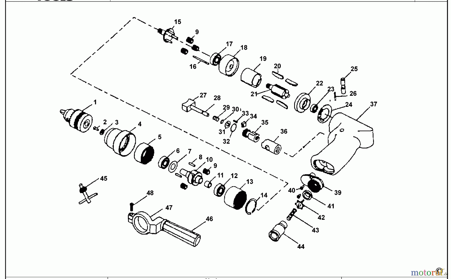
Hier finden Sie die Ersatzteilzeichnung für MAC POWER TOOLS LUFTDR.-BOHRMASCHINE ADPC120 Seite 1. Wählen Sie das benötigte Ersatzteil aus der Ersatzteilliste Ihres MAC Gerätes aus und bestellen Sie einfach online. Viele MAC Ersatzteile halten wir ständig in unserem Lager für Sie bereit.



