BLACK+DECKER 10810 9526 Ersatzteile
9526 10810

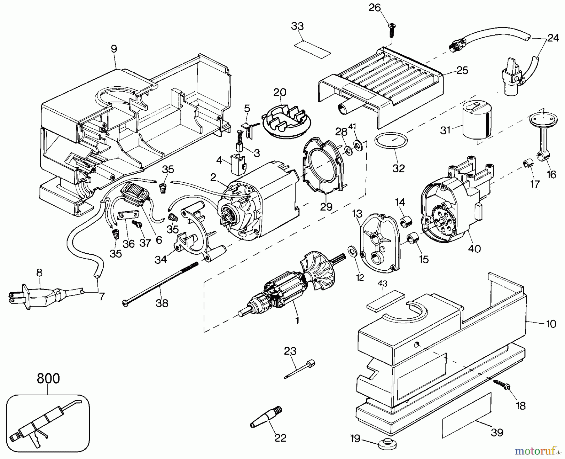
Hier finden Sie die Ersatzteilzeichnung für BLACK+DECKER Divers 10810 9526 Seite 1. Wählen Sie das benötigte Ersatzteil aus der Ersatzteilliste Ihres BLACK+DECKER Gerätes aus und bestellen Sie einfach online. Viele BLACK+DECKER Ersatzteile halten wir ständig in unserem Lager für Sie bereit.



