CRAFTSMAN KREISELRASENMÄHER 917.378342 Ersatzteile
917.378342 KREISELRASENMÄHER

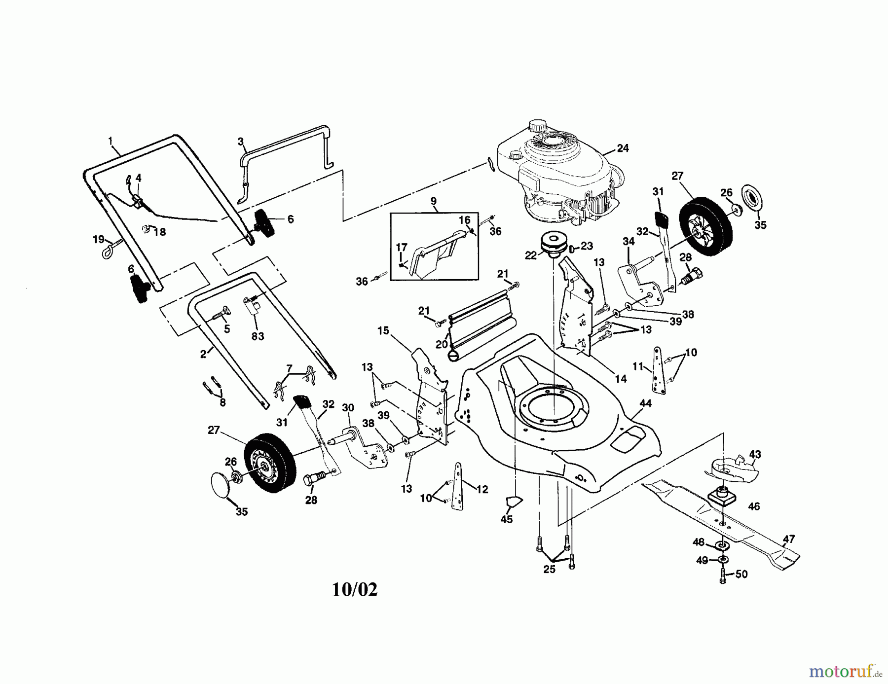
Hier finden Sie die Ersatzteilzeichnung für CRAFTSMAN Divers KREISELRASENMÄHER 917.378342 Seite 1. Wählen Sie das benötigte Ersatzteil aus der Ersatzteilliste Ihres CRAFTSMAN Gerätes aus und bestellen Sie einfach online. Viele CRAFTSMAN Ersatzteile halten wir ständig in unserem Lager für Sie bereit.



