BTI BOHRHAMMER 9090147 Ersatzteile
9090147 BOHRHAMMER

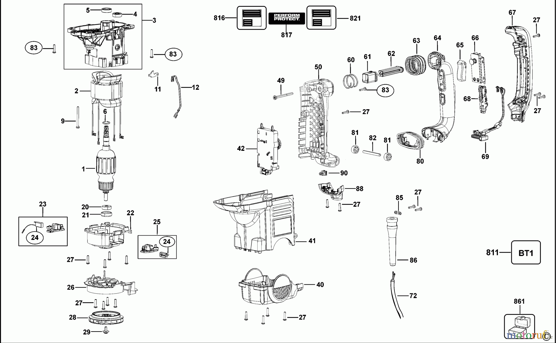
Hier finden Sie die Ersatzteilzeichnung für BTI Divers BOHRHAMMER 9090147 Seite 1. Wählen Sie das benötigte Ersatzteil aus der Ersatzteilliste Ihres BTI Gerätes aus und bestellen Sie einfach online. Viele BTI Ersatzteile halten wir ständig in unserem Lager für Sie bereit.


Qualitätsmanagement
Informieren Sie uns, wenn Sie einen Fehler gefunden haben.

