BLACK+DECKER SÄGE UNIVERSALSÄGE 7553 Ersatzteile
7553 UNIVERSALSÄGE

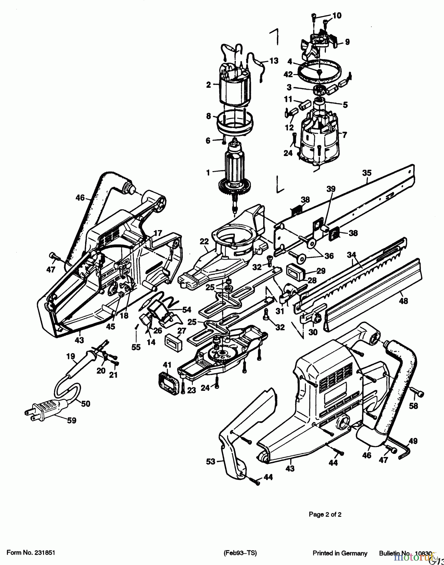
Hier finden Sie die Ersatzteilzeichnung für BLACK+DECKER INNENAUSSTATTUNG SÄGE UNIVERSALSÄGE 7553 Seite 2. Wählen Sie das benötigte Ersatzteil aus der Ersatzteilliste Ihres BLACK+DECKER Gerätes aus und bestellen Sie einfach online. Viele BLACK+DECKER Ersatzteile halten wir ständig in unserem Lager für Sie bereit.



