BLACK+DECKER SCHLEIFMASCHINEN, POLIERMASCHINEN UND EINFÄDLER WINKELSCHLEIFER 5933 Ersatzteile
5933 WINKELSCHLEIFER

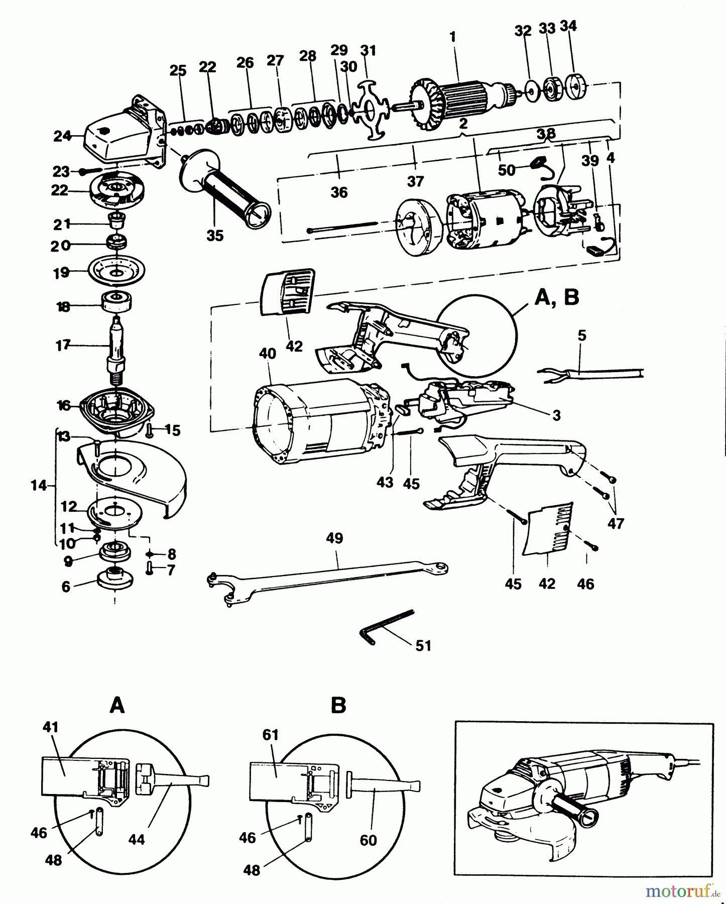
Hier finden Sie die Ersatzteilzeichnung für BLACK+DECKER PROFESSIONELL SCHLEIFMASCHINEN, POLIERMASCHINEN UND EINFÄDLER WINKELSCHLEIFER 5933 Seite 1. Wählen Sie das benötigte Ersatzteil aus der Ersatzteilliste Ihres BLACK+DECKER Gerätes aus und bestellen Sie einfach online. Viele BLACK+DECKER Ersatzteile halten wir ständig in unserem Lager für Sie bereit.



