CRAFTSMAN HOCHDRUCKREINIGER 580.742650 Ersatzteile
580.742650 HOCHDRUCKREINIGER

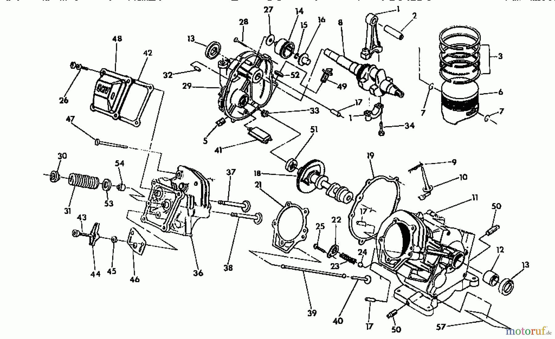
Hier finden Sie die Ersatzteilzeichnung für CRAFTSMAN Divers HOCHDRUCKREINIGER 580.742650 Seite 2. Wählen Sie das benötigte Ersatzteil aus der Ersatzteilliste Ihres CRAFTSMAN Gerätes aus und bestellen Sie einfach online. Viele CRAFTSMAN Ersatzteile halten wir ständig in unserem Lager für Sie bereit.



