CRAFTSMAN GENERATOR 580.327290 Ersatzteile
580.327290 GENERATOR

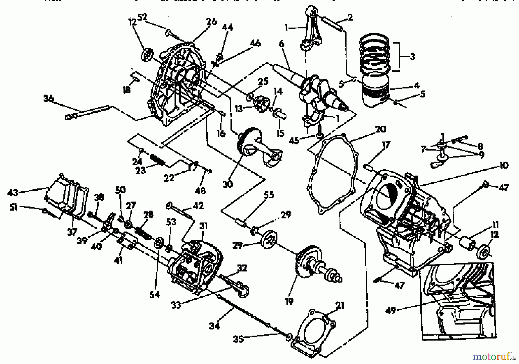
Hier finden Sie die Ersatzteilzeichnung für CRAFTSMAN Divers GENERATOR 580.327290 Seite 4. Wählen Sie das benötigte Ersatzteil aus der Ersatzteilliste Ihres CRAFTSMAN Gerätes aus und bestellen Sie einfach online. Viele CRAFTSMAN Ersatzteile halten wir ständig in unserem Lager für Sie bereit.


Qualitätsmanagement
Informieren Sie uns, wenn Sie einen Fehler gefunden haben.

