DEWALT GAS Nagler C-3 TRAK-IT TOOL DELUXE K 55011-PWR Ersatzteile
55011-PWR C-3 TRAK-IT TOOL DELUXE K

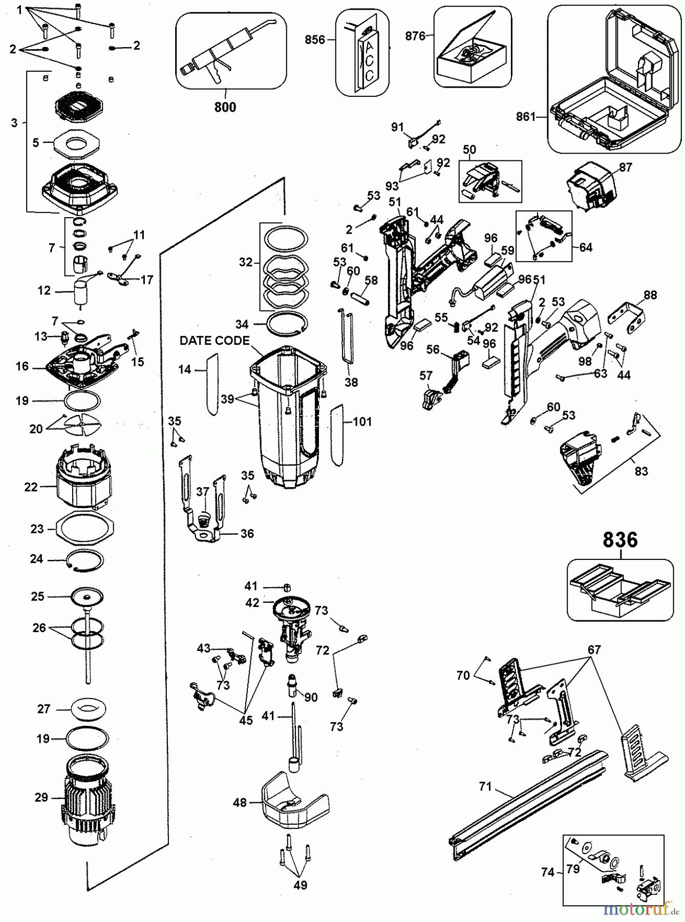
Hier finden Sie die Ersatzteilzeichnung für DEWALT BEFESTIGUNG GAS Nagler C-3 TRAK-IT TOOL DELUXE K 55011-PWR Seite 1. Wählen Sie das benötigte Ersatzteil aus der Ersatzteilliste Ihres DEWALT Gerätes aus und bestellen Sie einfach online. Viele DEWALT Ersatzteile halten wir ständig in unserem Lager für Sie bereit.


Qualitätsmanagement
Informieren Sie uns, wenn Sie einen Fehler gefunden haben.

