DEWALT PULVER AKTIVIERT P3801 POWDER TOOL DELUXE 52008-PWR Ersatzteile
52008-PWR P3801 POWDER TOOL DELUXE

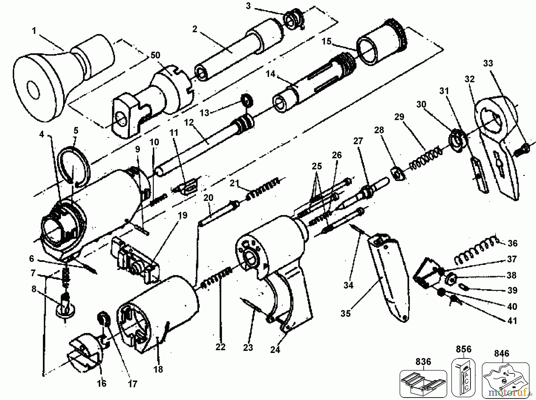
Hier finden Sie die Ersatzteilzeichnung für DEWALT BEFESTIGUNG PULVER AKTIVIERT P3801 POWDER TOOL DELUXE 52008-PWR Seite 1. Wählen Sie das benötigte Ersatzteil aus der Ersatzteilliste Ihres DEWALT Gerätes aus und bestellen Sie einfach online. Viele DEWALT Ersatzteile halten wir ständig in unserem Lager für Sie bereit.


Qualitätsmanagement
Informieren Sie uns, wenn Sie einen Fehler gefunden haben.

