BLACK+DECKER HAMMER PISTOL GRIP HAMMER DRILL 5070 Ersatzteile
5070 PISTOL GRIP HAMMER DRILL

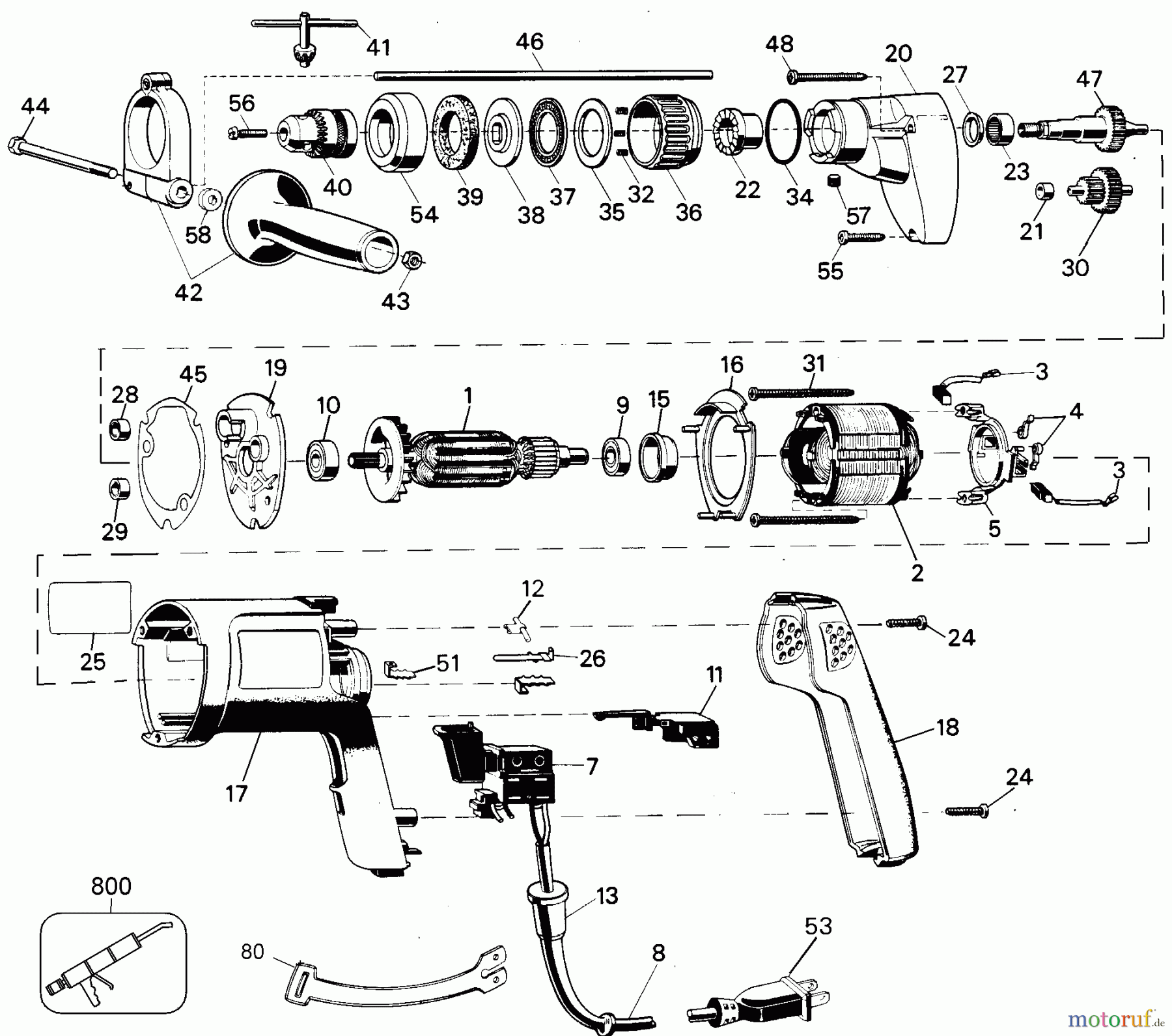
Hier finden Sie die Ersatzteilzeichnung für BLACK+DECKER PROFESSIONELL HAMMER PISTOL GRIP HAMMER DRILL 5070 Seite 1. Wählen Sie das benötigte Ersatzteil aus der Ersatzteilliste Ihres BLACK+DECKER Gerätes aus und bestellen Sie einfach online. Viele BLACK+DECKER Ersatzteile halten wir ständig in unserem Lager für Sie bereit.



