PORTER CABLE 10INSLD MS 15AMP 3807 Ersatzteile
3807 10INSLD MS 15AMP

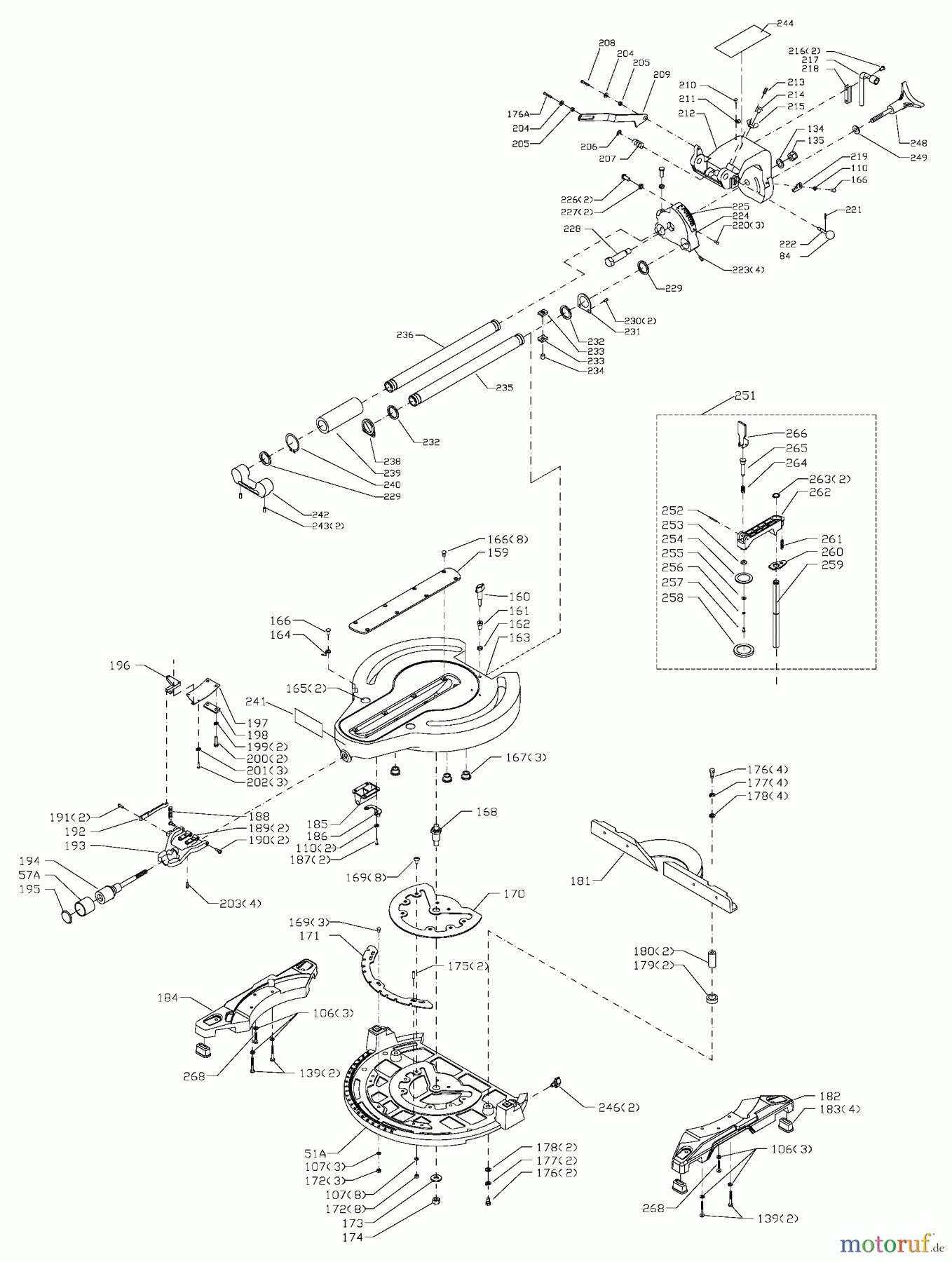
Hier finden Sie die Ersatzteilzeichnung für PORTER CABLE Divers 10INSLD MS 15AMP 3807 Seite 2. Wählen Sie das benötigte Ersatzteil aus der Ersatzteilliste Ihres PORTER CABLE Gerätes aus und bestellen Sie einfach online. Viele PORTER CABLE Ersatzteile halten wir ständig in unserem Lager für Sie bereit.


Qualitätsmanagement
Informieren Sie uns, wenn Sie einen Fehler gefunden haben.

