BLACK+DECKER 19 CRAFTS ELEC MOWER 37051 Ersatzteile
37051 19 CRAFTS ELEC MOWER

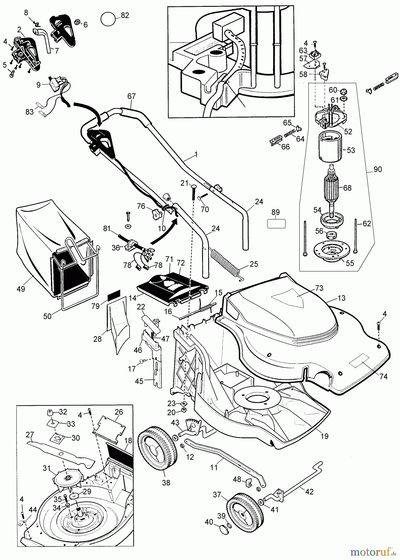
Hier finden Sie die Ersatzteilzeichnung für BLACK+DECKER Divers 19 CRAFTS ELEC MOWER 37051 Seite 1. Wählen Sie das benötigte Ersatzteil aus der Ersatzteilliste Ihres BLACK+DECKER Gerätes aus und bestellen Sie einfach online. Viele BLACK+DECKER Ersatzteile halten wir ständig in unserem Lager für Sie bereit.



