BOSTITCH DRUCKLUFTKLAMMER AGRAFEUSE 3447 Ersatzteile
3447 DRUCKLUFTKLAMMER AGRAFEUSE

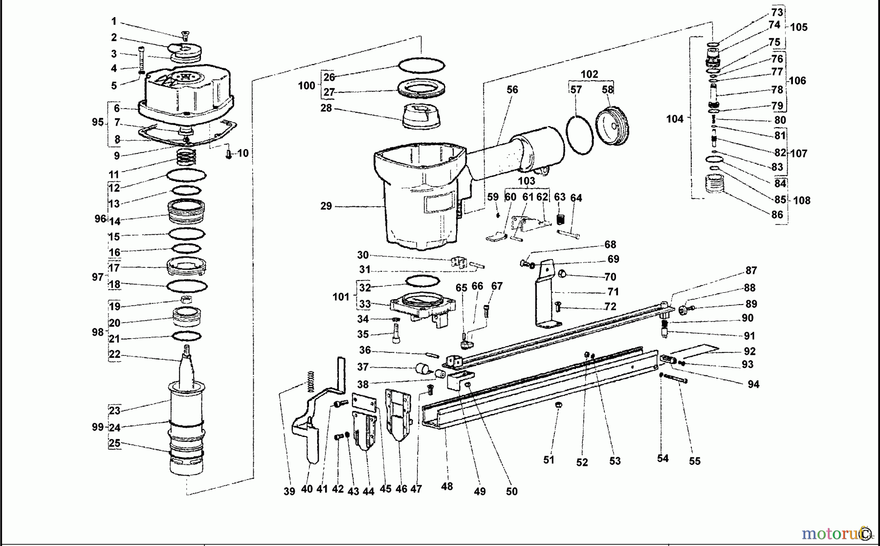
Hier finden Sie die Ersatzteilzeichnung für BOSTITCH STAPLER DRUCKLUFTKLAMMER AGRAFEUSE 3447 Seite 1. Wählen Sie das benötigte Ersatzteil aus der Ersatzteilliste Ihres BOSTITCH Gerätes aus und bestellen Sie einfach online. Viele BOSTITCH Ersatzteile halten wir ständig in unserem Lager für Sie bereit.


Qualitätsmanagement
Informieren Sie uns, wenn Sie einen Fehler gefunden haben.

