BTI FLEX VA TIGER SAW 300713 Ersatzteile
300713 FLEX VA TIGER SAW

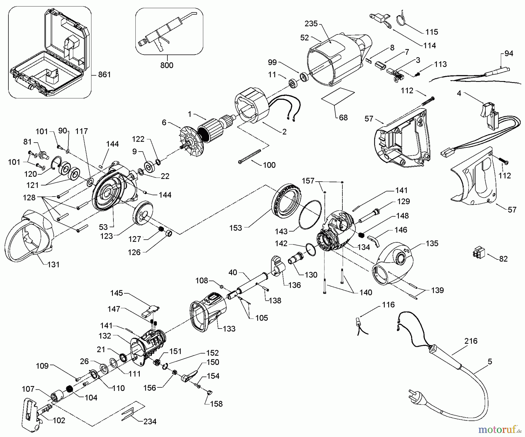
Hier finden Sie die Ersatzteilzeichnung für BTI Divers FLEX VA TIGER SAW 300713 Seite 1. Wählen Sie das benötigte Ersatzteil aus der Ersatzteilliste Ihres BTI Gerätes aus und bestellen Sie einfach online. Viele BTI Ersatzteile halten wir ständig in unserem Lager für Sie bereit.



