BLACK+DECKER SÄGE 7 1/4 INDUST.ST SAWCAT 2694 Ersatzteile
2694 7 1/4 INDUST.ST SAWCAT

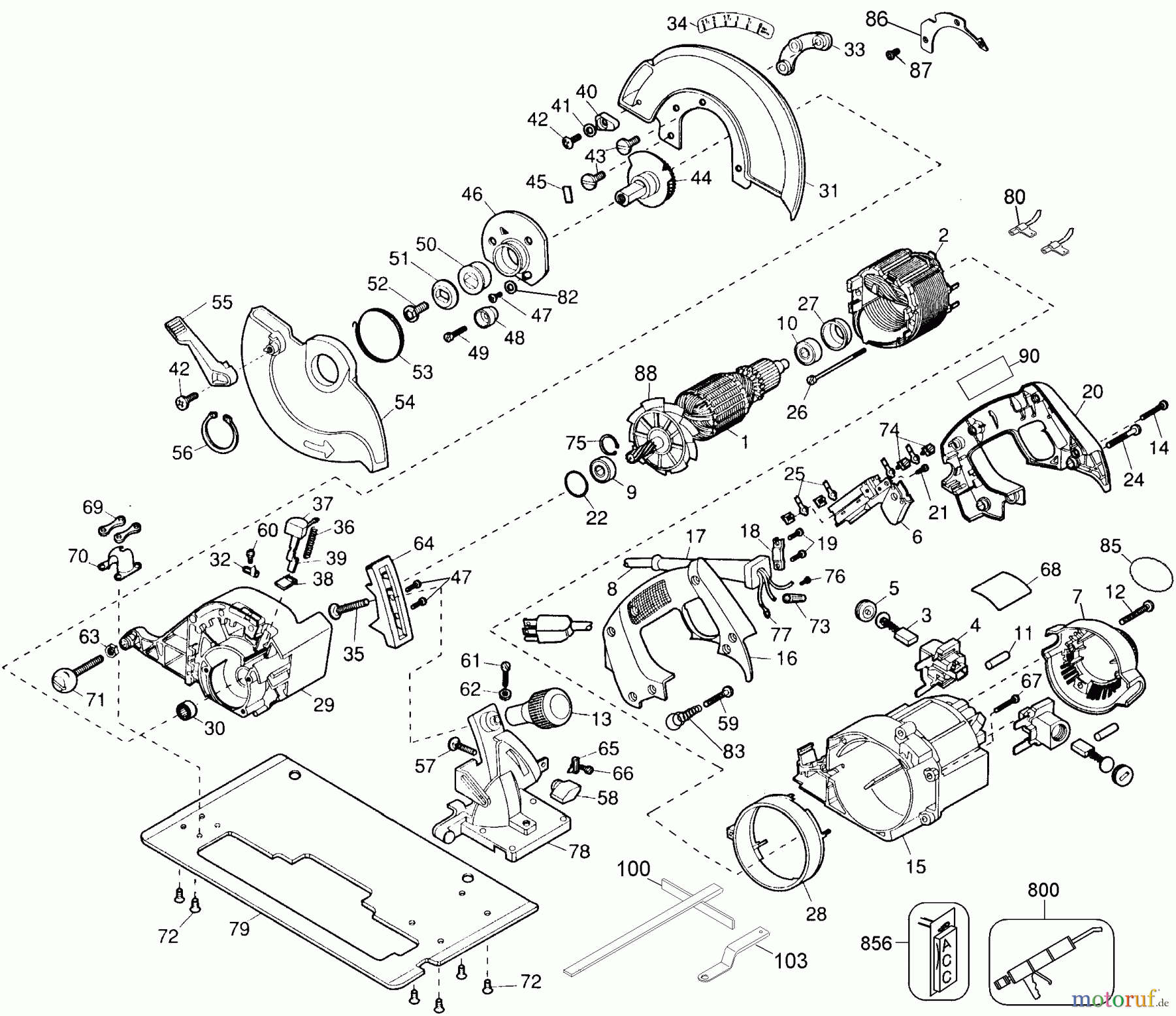
Hier finden Sie die Ersatzteilzeichnung für BLACK+DECKER PROFESSIONELL SÄGE 7 1/4 INDUST.ST SAWCAT 2694 Seite 1. Wählen Sie das benötigte Ersatzteil aus der Ersatzteilliste Ihres BLACK+DECKER Gerätes aus und bestellen Sie einfach online. Viele BLACK+DECKER Ersatzteile halten wir ständig in unserem Lager für Sie bereit.


Qualitätsmanagement
Informieren Sie uns, wenn Sie einen Fehler gefunden haben.

