DEWALT 10MM HAMMER DRILL LAT AMR 2242-36 Ersatzteile
2242-36 10MM HAMMER DRILL LAT AMR

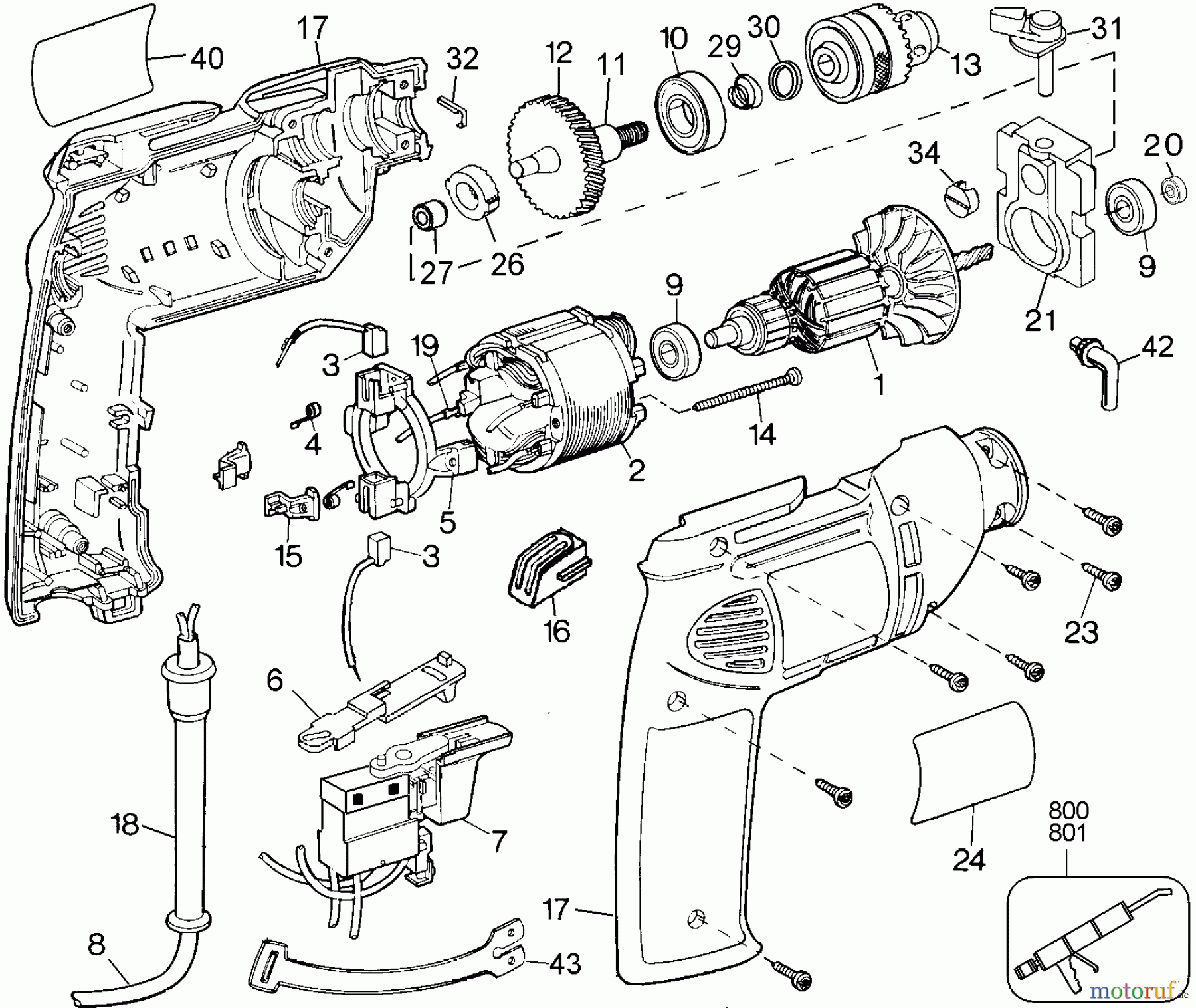
Hier finden Sie die Ersatzteilzeichnung für DEWALT Divers 10MM HAMMER DRILL LAT AMR 2242-36 Seite 1. Wählen Sie das benötigte Ersatzteil aus der Ersatzteilliste Ihres DEWALT Gerätes aus und bestellen Sie einfach online. Viele DEWALT Ersatzteile halten wir ständig in unserem Lager für Sie bereit.


Qualitätsmanagement
Informieren Sie uns, wenn Sie einen Fehler gefunden haben.

