STANLEY WORKCENTRES HEIMWERKERBANK 1-94-210 Ersatzteile
1-94-210 HEIMWERKERBANK

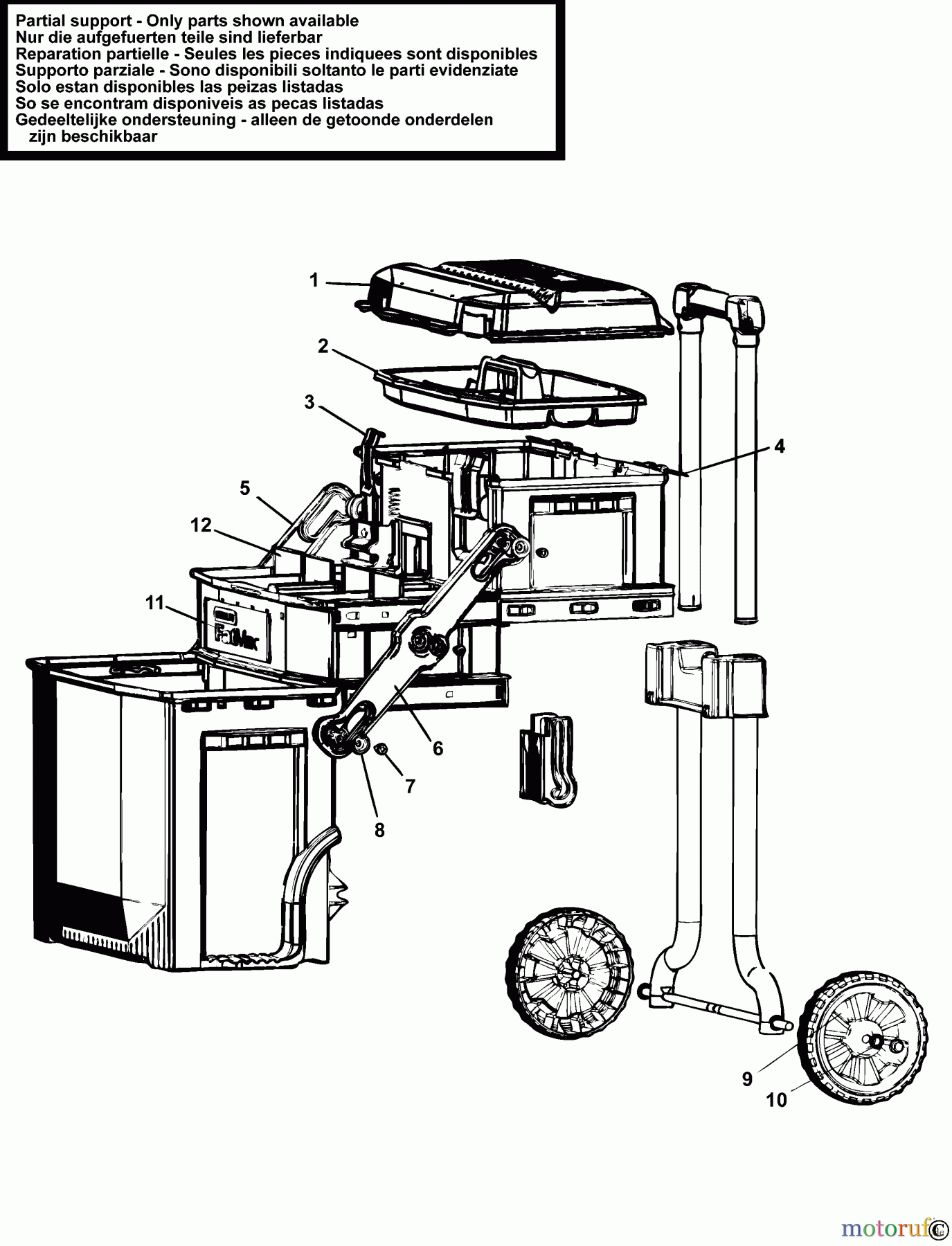
Hier finden Sie die Ersatzteilzeichnung für STANLEY STORAGE WORKCENTRES HEIMWERKERBANK 1-94-210 Seite 1. Wählen Sie das benötigte Ersatzteil aus der Ersatzteilliste Ihres STANLEY Gerätes aus und bestellen Sie einfach online. Viele STANLEY Ersatzteile halten wir ständig in unserem Lager für Sie bereit.


Qualitätsmanagement
Informieren Sie uns, wenn Sie einen Fehler gefunden haben.

