STANLEY WORKCENTRES HEIMWERKERBANK 1-93-968 Ersatzteile
1-93-968 HEIMWERKERBANK

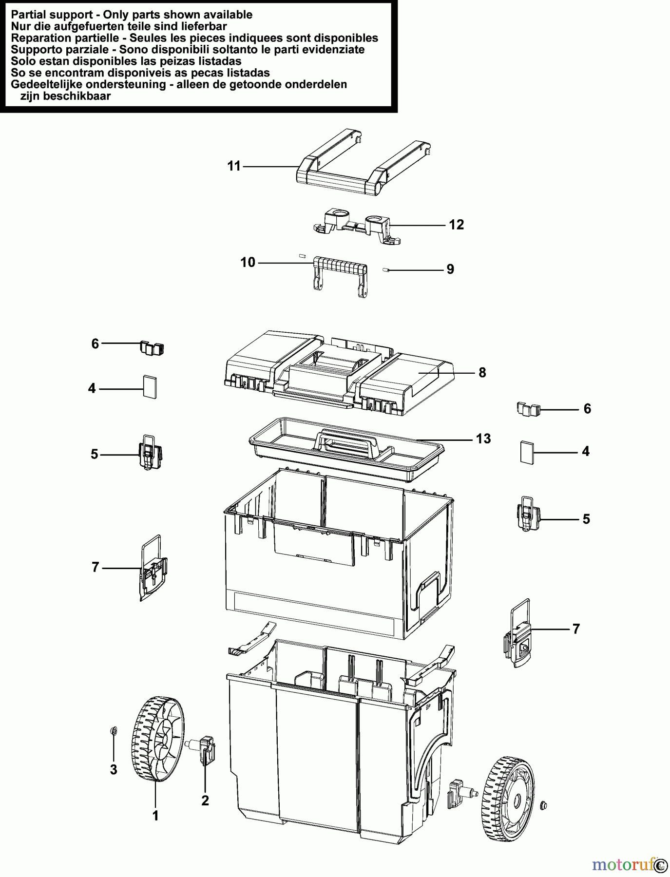
Hier finden Sie die Ersatzteilzeichnung für STANLEY STORAGE WORKCENTRES HEIMWERKERBANK 1-93-968 Seite 1. Wählen Sie das benötigte Ersatzteil aus der Ersatzteilliste Ihres STANLEY Gerätes aus und bestellen Sie einfach online. Viele STANLEY Ersatzteile halten wir ständig in unserem Lager für Sie bereit.
| BildNr | Artikel Nummer | Bezeichnung | |
| 1 | SB-H2000046291 | RAD | |
| 2 | SB-H2000042008 | SCHAFT | |
| 3 | SB-P005916 | SCHEIBE | |
| 4 | SB-H2500468008 | ADAPTER | |
| 5 | SB-P008502 | BLOCK | |
| 6 | SB-P008504 | LASCHE | |
| 7 | SB-P008797 | LASCHE | |
| 8 | SB-H1200224001 | DECKEL | |
| 9 | SB-H2300003008 | STIFT | |
| 10 | SB-H1400115008 | HANDLE | |
| 11 | SB-H1400112466 | HANDLE | |
| 12 | SB-H2500390150 | RASTER | |
| 13 | SB-H1300123REC | SCHALE | |



