Massey Ferguson MF 19 SHWK 12AI127D695 (2008) Mähwerksgehäuse, Schnitthöhenverstellung Ersatzteile
Mähwerksgehäuse, Schnitthöhenverstellung 12AI127D695 (2008)

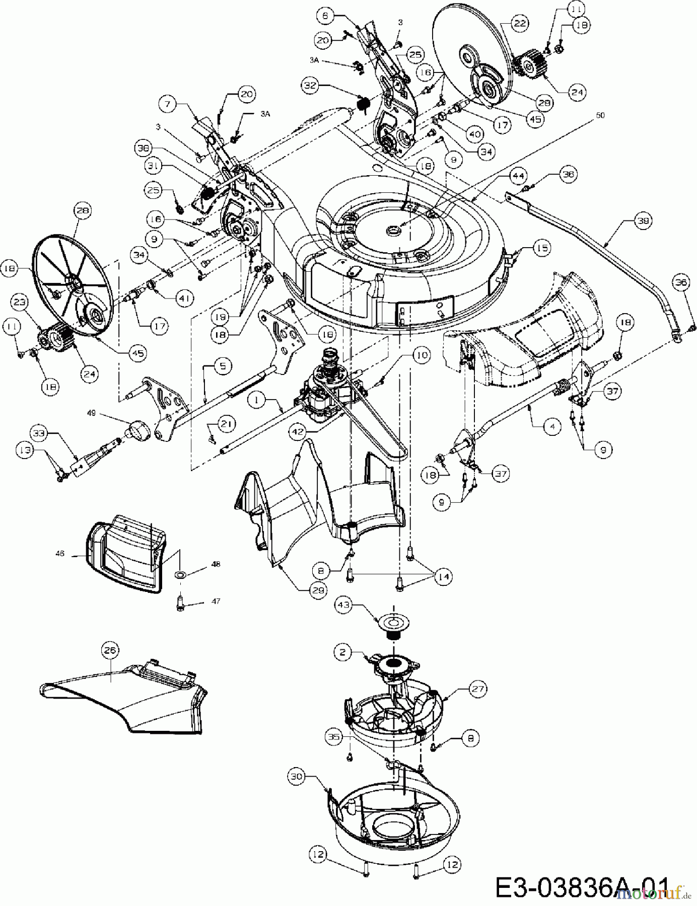
Hier finden Sie die Ersatzteilzeichnung für Massey Ferguson Motormäher mit Antrieb MF 19 SHWK 12AI127D695 (2008) Mähwerksgehäuse, Schnitthöhenverstellung. Wählen Sie das benötigte Ersatzteil aus der Ersatzteilliste Ihres Massey Ferguson Gerätes aus und bestellen Sie einfach online. Viele Massey Ferguson Ersatzteile halten wir ständig in unserem Lager für Sie bereit.


Qualitätsmanagement
Informieren Sie uns, wenn Sie einen Fehler gefunden haben.






















