CRAFTSMAN MITER SAW 137.285680 Ersatzteile
137.285680 MITER SAW

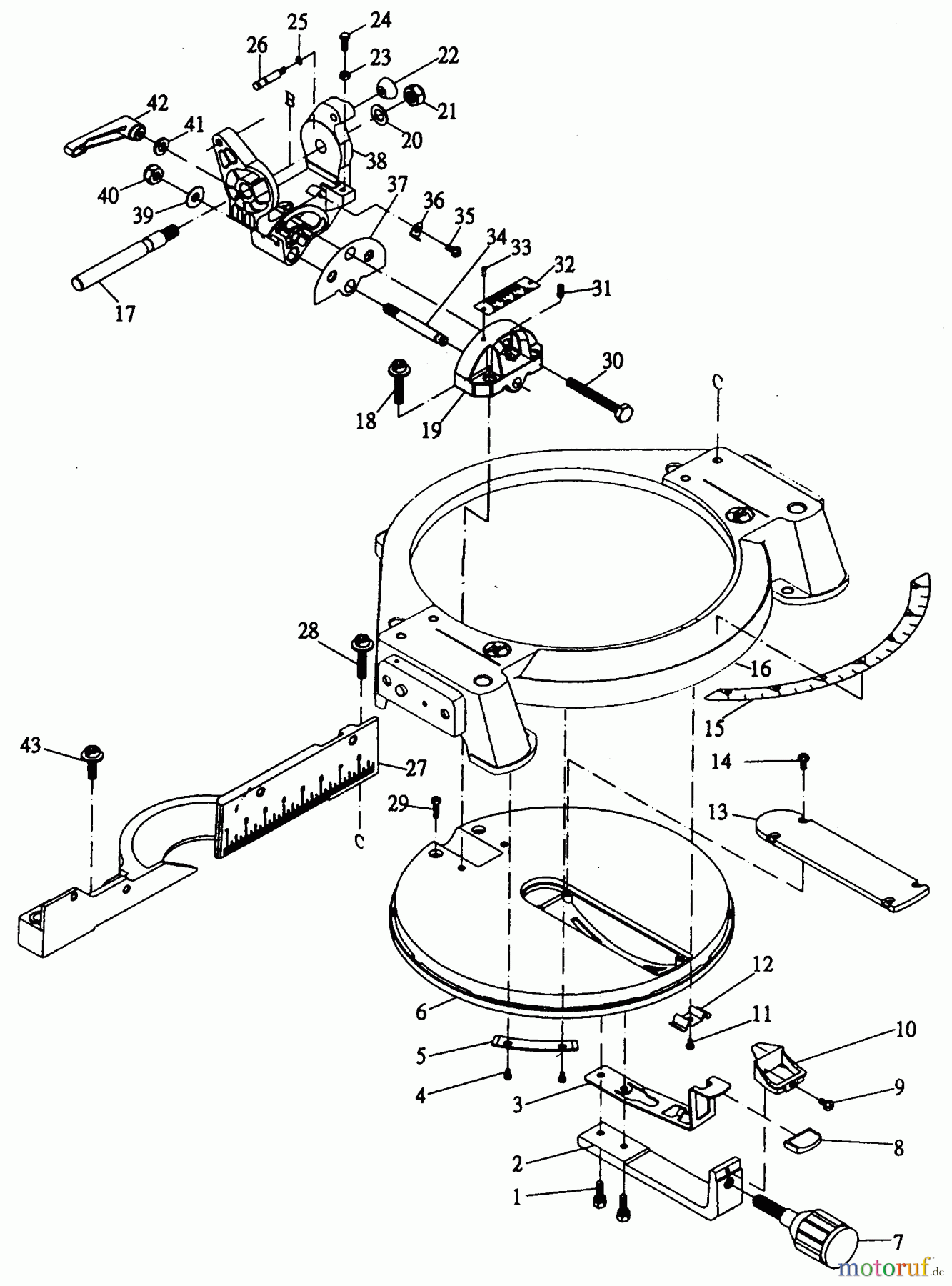
Hier finden Sie die Ersatzteilzeichnung für CRAFTSMAN Divers MITER SAW 137.285680 Seite 1. Wählen Sie das benötigte Ersatzteil aus der Ersatzteilliste Ihres CRAFTSMAN Gerätes aus und bestellen Sie einfach online. Viele CRAFTSMAN Ersatzteile halten wir ständig in unserem Lager für Sie bereit.



