Einkaufswagen
Mein Konto

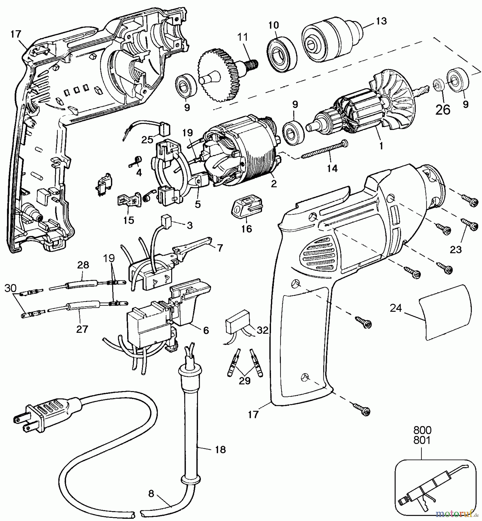
BLACK+DECKER BOHRER, MAGNETBOHRMASCHINE, GEWINDESCHNEIDER KEYLESS CHUCK-AUSTRALIA 1167-AU Ersatzteile

1167-AU KEYLESS CHUCK-AUSTRALIA

 BLACK+DECKER PROFESSIONELL BOHRER, MAGNETBOHRMASCHINE, GEWINDESCHNEIDER KEYLESS CHUCK-AUSTRALIA 1167-AU Seite 1

Hier finden Sie die Ersatzteilzeichnung für BLACK+DECKER PROFESSIONELL BOHRER, MAGNETBOHRMASCHINE, GEWINDESCHNEIDER KEYLESS CHUCK-AUSTRALIA 1167-AU Seite 1. Wählen Sie das benötigte Ersatzteil aus der Ersatzteilliste Ihres BLACK+DECKER Gerätes aus und bestellen Sie einfach online. Viele BLACK+DECKER Ersatzteile halten wir ständig in unserem Lager für Sie bereit.

Rasen
Bankeinzug, MasterCard, Visa, American Express, PayPal, Nachnahme, Vorauskasse, Sofortüberweisung
Qualitätsmanagement
Informieren Sie uns, wenn Sie einen Fehler gefunden haben.