CRAFTSMAN TRACTOR 107.250070 Ersatzteile
107.250070 TRACTOR

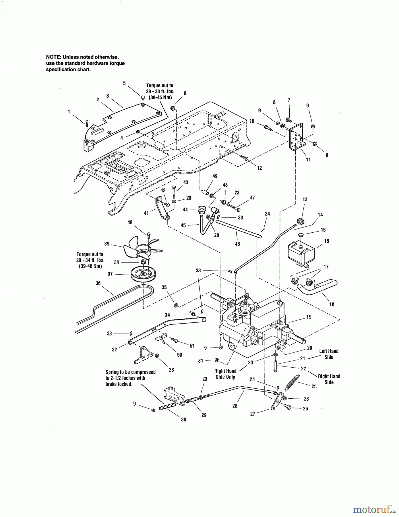
Hier finden Sie die Ersatzteilzeichnung für CRAFTSMAN Divers TRACTOR 107.250070 Seite 4. Wählen Sie das benötigte Ersatzteil aus der Ersatzteilliste Ihres CRAFTSMAN Gerätes aus und bestellen Sie einfach online. Viele CRAFTSMAN Ersatzteile halten wir ständig in unserem Lager für Sie bereit.


Qualitätsmanagement
Informieren Sie uns, wenn Sie einen Fehler gefunden haben.

