Gutbrod VS 40 E 02699.06 (1986) Ersatzteile
02699.06 (1986) VS 40 E

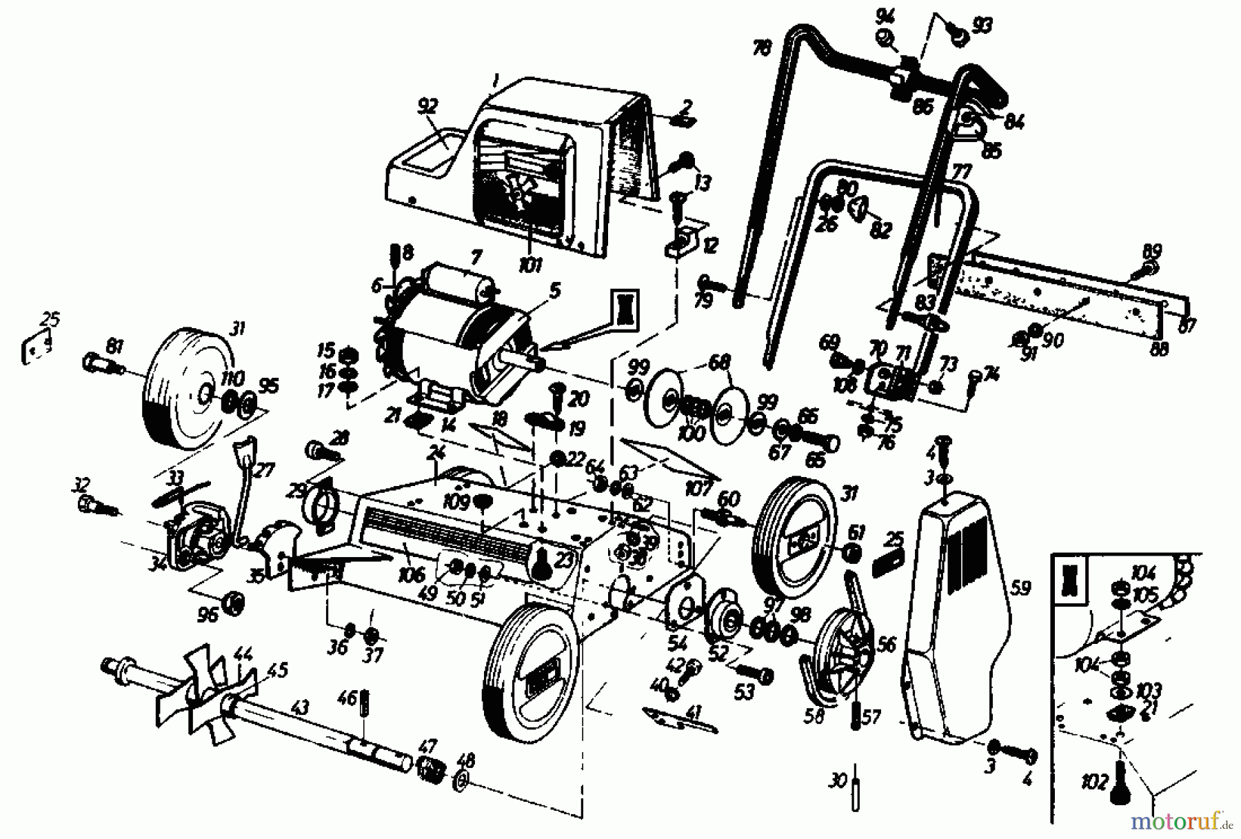
Hier finden Sie die Ersatzteilzeichnung für Gutbrod Elektrovertikutierer VS 40 E 02699.06 (1986) Grundgerät. Wählen Sie das benötigte Ersatzteil aus der Ersatzteilliste Ihres Gutbrod Gerätes aus und bestellen Sie einfach online. Viele Gutbrod Ersatzteile halten wir ständig in unserem Lager für Sie bereit.





