Einkaufswagen
Mein Konto

Gutbrod VE 33 04053.05 (1997) Ersatzteile

04053.05 (1997) VE 33

 Gutbrod Elektrovertikutierer VE 33 04053.05  (1997) Grundgerät

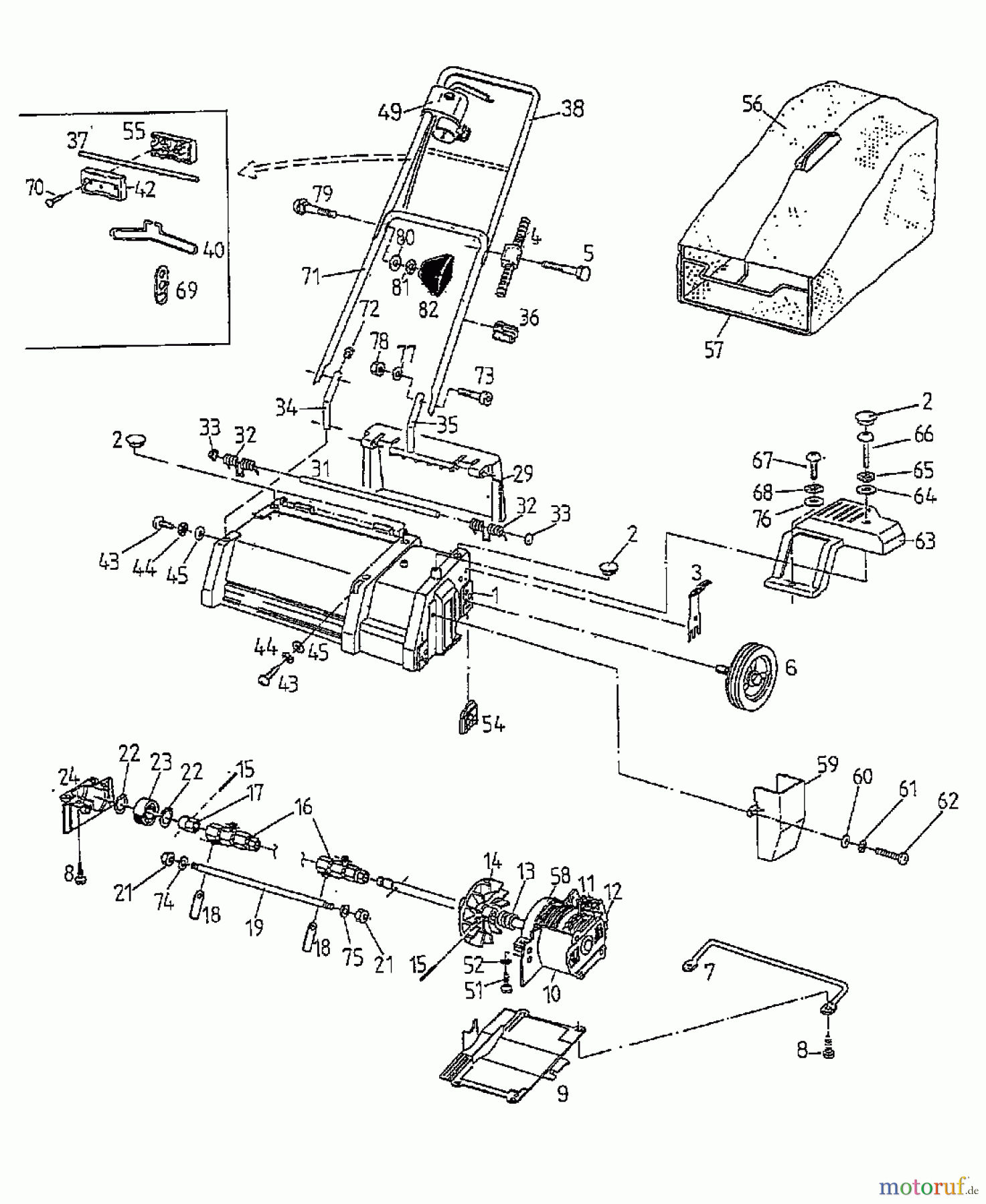
Hier finden Sie die Ersatzteilzeichnung für Gutbrod Elektrovertikutierer VE 33 04053.05 (1997) Grundgerät. Wählen Sie das benötigte Ersatzteil aus der Ersatzteilliste Ihres Gutbrod Gerätes aus und bestellen Sie einfach online. Viele Gutbrod Ersatzteile halten wir ständig in unserem Lager für Sie bereit.

BildNrArtikel NummerBezeichnung
1 079.85.299VERTIKUTIERGEHAEUSE 32 CM
2 000.70.557KAPSTO-VERSCHLUSSTOPFEN F18
3 079.29.490VERSTELLHEBEL HINTEN
4 079.05.304BIEGESCHUTZ:SCHWARZ RAL 9005
5 21.1441.78SECHSKANTSCHRAUBE DIN 933
6 079.29.766RAD 0 150 MIT BOLZEN ROT
6 079.31.928RAD GELB MIT BOLZEN
6 079.31.973RAD OYSTERGRAU M BOLZEN
7 079.85.218ABSTUETZBUEGEL
8 000.02.493Sternantrieb-SCHRAUBE M6x20 WN 1452
9 079.85.218ABSTUETZBUEGEL
10 079.11.691E-MOTOR 1000W VOLLST.
11 079.11.890KONDENSATOR
12 079.38.126ISOLIERKOERPER 2-POL.
13 000.30.275DRUCKFEDER
14 079.85.200LUEFTERFLUEGEL
15 25.3197.95SPANNHUELSE DIN 1481
15 23.3197.95
16 079.85.231MESSERHALTER
17 079.85.176ENDSTUECK
18 079.85.230VERTIKUTIERMESSER *S*
19 Gutbrod STANGE079.85.205STANGE
21 24.1426.14SICHERUNGSMUTTER-ANS DIN 985
22 28.3591.17SICHERUNGSRING DIN 471
23 26.1027.43RILLENKUGELLAGER DIN 625
24 079.85.193LAGERUNG: SCHWARZ RAL 9005
29 079.85.325HECKKLAPPE ROT RAL 2002
31 079.85.206STANGE
32 000.31.166SCHENKELFEDER
33 000.02.261SECHSKANTSCHRAUBE
33 000.02.427SCHNELLBEFESTIGER MIT KAPPE 7S
34 079.06.593HOLMROHR RECHTS GRUEN RAL 6005
35 079.06.262HOLMROHR LI. MTD SCHWARZ 637
36 000.13.064KABELSCHELLE:SCHWARZ RAL 9005
37 079.06.254FUEHRUNGSSTANGE
38 079.06.736STD-OBERHOLM VOLLST.
40 079.05.533FUEHRUNGSBUEGEL VERZINKT
42 079.05.531GLEITSTUECK RECHTS: SCHWARZ
43 22.6418.35LINSEN-BLECHSCHRAUBE DIN 7981
44 24.8191.09FAECHERSCHEIBE A4,3 DIN 6798
45 24.6486.13SCHEIBE DIN 9021-ST
49 079.39.869EINHAND-SSK CCS 59,L1=1450 -A-
51 000.02.494Sternantrieb-SCHRAUBE M6x25
52 24.8190.14SICHERUNGSSCHEIBE DIN N
54 079.85.213LAGERVERSTAERKUNG
55 079.05.532GLEITSTUECK LINKS:SCHWARZ 9005
56 079.80.841GRASFANGSACK NUR GEWEBE
57 079.80.836GRASFANGSACKGESTELL VOLLST.INC
58 079.11.303LUFTFUEHRUNGSBLECH
59 079.85.224LUFTFUEHRUNGSKANAL
60 24.6486.13SCHEIBE DIN 9021-ST
61 24.8191.09FAECHERSCHEIBE A4,3 DIN 6798
62 000.02.467PLASTITE-SCHRAUBE
63 079.85.382ABDECKHAUBE
63 079.85.440ABDECKHAUBE - SMALL -
64 24.6486.16SCHEIBE DIN 9021
65 24.8190.14SICHERUNGSSCHEIBE DIN N
66 000.02.493Sternantrieb-SCHRAUBE M6x20 WN 1452
67 000.02.467PLASTITE-SCHRAUBE
68 24.8191.09FAECHERSCHEIBE A4,3 DIN 6798
69 079.06.417KABELHALTERUNG
70 000.02.466PT-SCHRAUBE KB 40x8 WN 1441
71 079.06.260UNTERHOLM MTD SCHWARZ 637
72 000.34.303VERSCHLUSSTOPFEN GL 18
73 23.5422.20LINSENSCHRAUBE M.KREUZDIN 7985
74 24.6273.16PASS-UND STUETZSCHEIBEDIN 988
75 24.6273.16PASS-UND STUETZSCHEIBEDIN 988
76 24.6481.01
77 24.6481.09SCHEIBE DIN 125
78 24.1426.14SICHERUNGSMUTTER-ANS DIN 985
79 22.3417.31FLACHRD-SCHR.M 4KT-ANSDIN 603
80 24.6481.18SCHEIBE DIN 125
81 24.8191.18FAECHERSCHEIBE DIN 6798
82 000.02.377FLUEGELMUTTER:M8 SCHWARZ
Rasen
Bankeinzug, MasterCard, Visa, American Express, PayPal, Nachnahme, Vorauskasse, Sofortüberweisung
Qualitätsmanagement
Informieren Sie uns, wenn Sie einen Fehler gefunden haben.