Gutbrod VE 33 02826.02 (1996) Ersatzteile
02826.02 (1996) VE 33

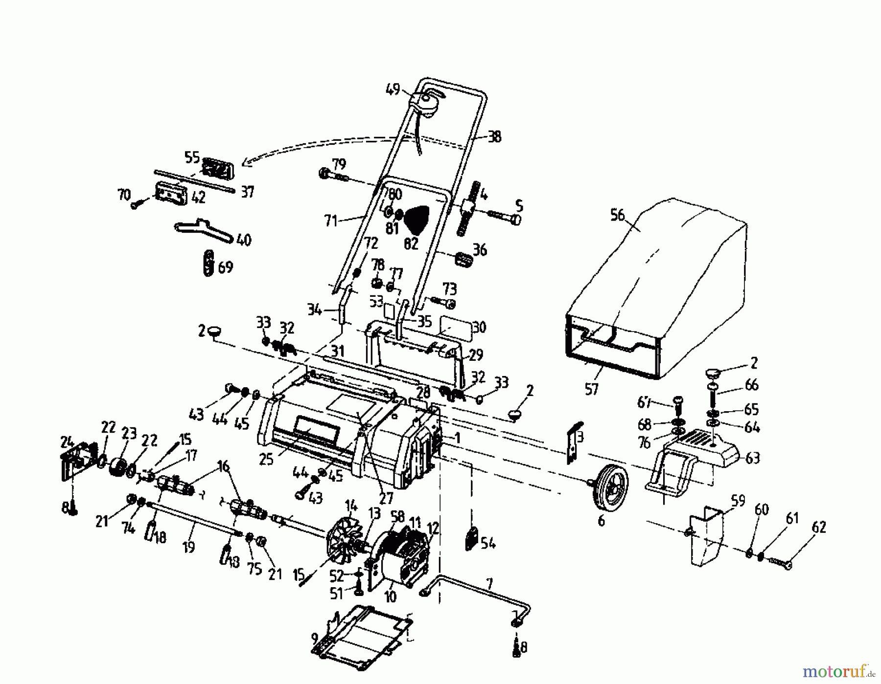
Hier finden Sie die Ersatzteilzeichnung für Gutbrod Elektrovertikutierer VE 33 02826.02 (1996) Grundgerät. Wählen Sie das benötigte Ersatzteil aus der Ersatzteilliste Ihres Gutbrod Gerätes aus und bestellen Sie einfach online. Viele Gutbrod Ersatzteile halten wir ständig in unserem Lager für Sie bereit.




