Gutbrod VE 32 02890.02 (1985) Ersatzteile
02890.02 (1985) VE 32

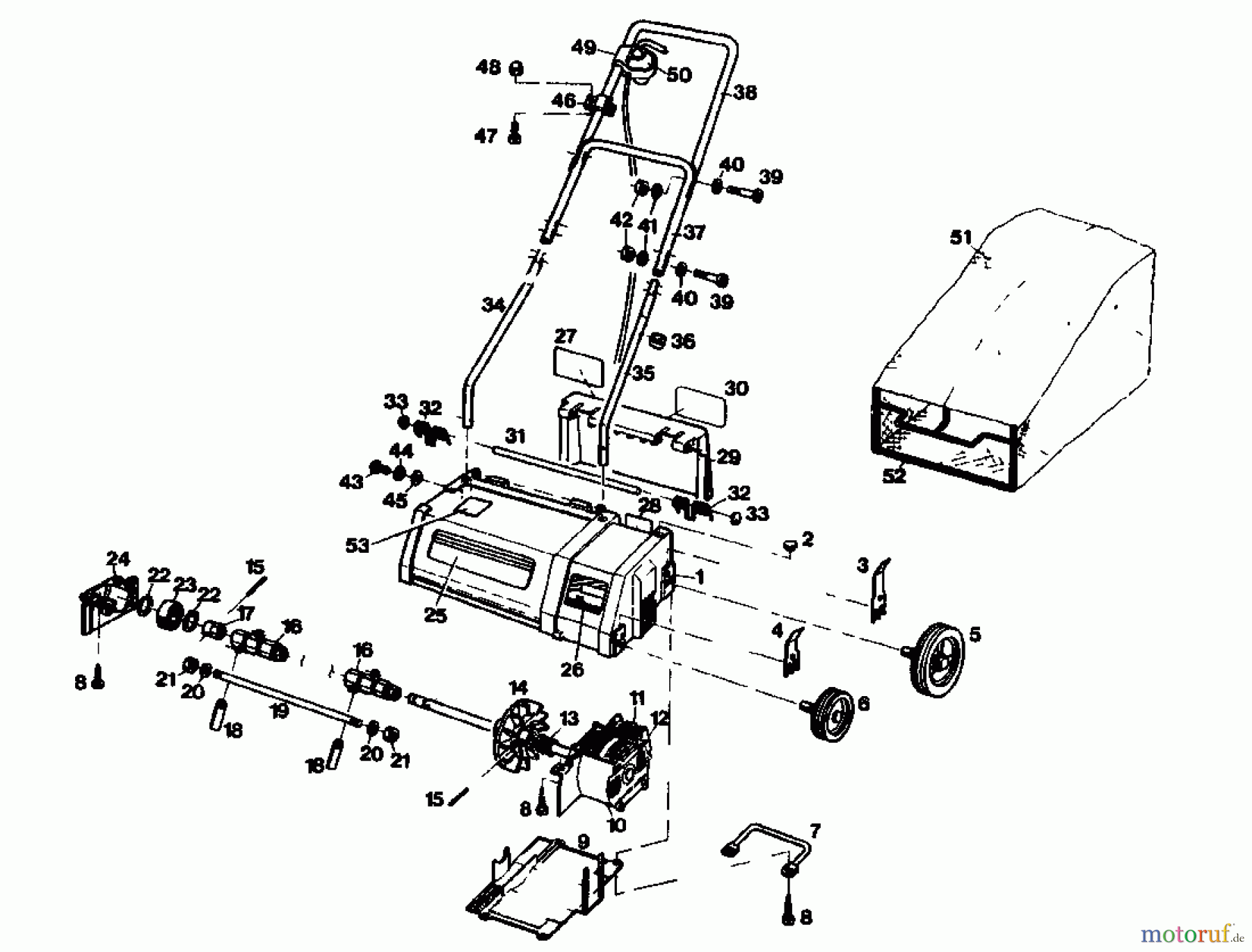
Hier finden Sie die Ersatzteilzeichnung für Gutbrod Elektrovertikutierer VE 32 02890.02 (1985) Grundgerät. Wählen Sie das benötigte Ersatzteil aus der Ersatzteilliste Ihres Gutbrod Gerätes aus und bestellen Sie einfach online. Viele Gutbrod Ersatzteile halten wir ständig in unserem Lager für Sie bereit.




