Einkaufswagen
Mein Konto

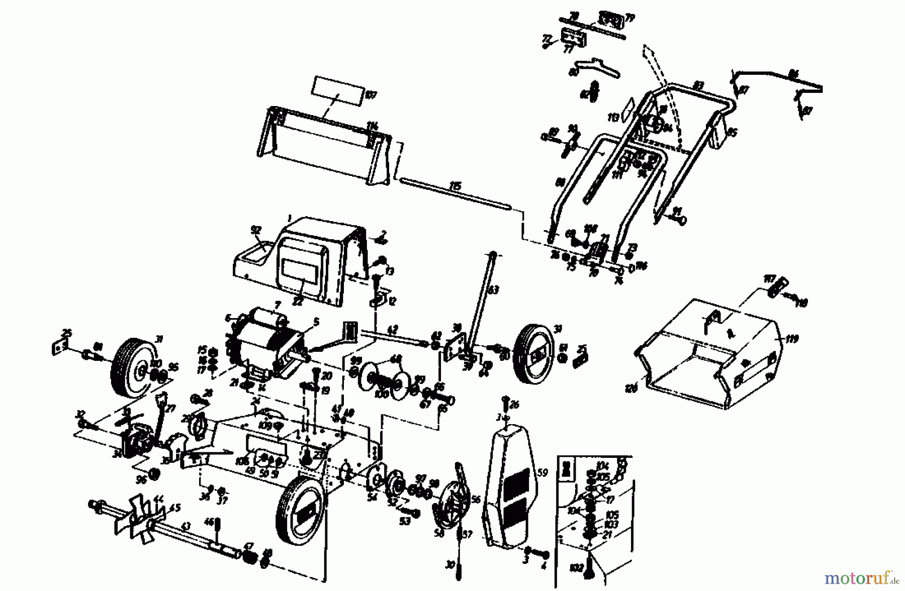
Gutbrod MVE 400 04009.01 (1990) Ersatzteile

04009.01 (1990) MVE 400

 Gutbrod Elektrovertikutierer MVE 400 04009.01  (1990) Grundgerät

Hier finden Sie die Ersatzteilzeichnung für Gutbrod Elektrovertikutierer MVE 400 04009.01 (1990) Grundgerät. Wählen Sie das benötigte Ersatzteil aus der Ersatzteilliste Ihres Gutbrod Gerätes aus und bestellen Sie einfach online. Viele Gutbrod Ersatzteile halten wir ständig in unserem Lager für Sie bereit.

BildNrArtikel NummerBezeichnung
1 079.85.983E-TEIL LIEFERUMFANG HAUBE
2 000.06.197SCHNAPPMUTTER
3 24.6481.09SCHEIBE DIN 125
4 22.6417.33LINSEN-BLECHSCHRAUBE DIN 7981
5 079.11.679E-MOTOR VOLLST.1500W - 220 V
6 079.11.324LUEFTERRAD
7 079.11.648KONDENSATOR
12 079.85.199HAUBENBEFESTIGUNG
13 000.02.371PLASTITE-SCHRAUBE
14 079.11.286MOTORTRAEGER
15 24.1421.18SECHSKANTMUTTER DIN 934
16 24.8195.18FEDERRING DIN 127
17 24.6481.18SCHEIBE DIN 125
18 000.49.081HINWEISSCHILD
19 001.10.125ZUGENTLASTUNGSSCHELLE
20 22.6417.34LINSEN-BLECHSCHRAUBE DIN 7981
21 079.11.261ISOLIERSTUECK
22 000.49.997NAMENSSCHILD "SUPERIOR CLASS"
23 079.11.262ISOLIERSCHRAUBE
24 079.85.984E-TEIL LIEFERUMFANG DECK
25 079.29.595RADKAPPE - GUTBROD LOGO -
26 22.6417.35LINSEN-BLECHSCHRAUBE DIN 7981
27 079.29.879VERSTELLHEBEL VOLLST.AUSF.B
30 25.3197.06SPANNHUELSE DIN 1481
31 079.30.933RAD 7" SILBER 9006
32 079.29.217SCHRAUBE VERZINKT
33 000.30.254FEDER AUSF.A
34 079.29.221VERSTELLSTUECK AUSF.B
35 079.29.222VERSTELLSEGMENT VERZINKT
36 24.6481.18SCHEIBE DIN 125
37 24.1426.18SICHERUNGSMUTTER DIN 985-8
39 21.1441.89SECHSKANTSCHRAUBE DIN 933
40 24.8195.22FEDERRING DIN 127
41 24.1421.22SECHSKANTMUTTER DIN 934-8
42 079.85.258STANGE VERZINKT
43 079.85.863MESSERWELLE VOLLST.
44 Gutbrod VERTIKUTIERMESSER          *S*079.85.051VERTIKUTIERMESSER *S*
45 079.85.050DISTANZBUCHSE VERZINKT
46 25.3197.82SPANNHUELSE DIN 1481
47 000.30.065DRUCKFEDER
48 24.6481.35SCHEIBE DIN 125
49 24.1421.18SECHSKANTMUTTER DIN 934
50 24.8195.18FEDERRING DIN 127
51 24.6481.18SCHEIBE DIN 125
52 079.85.864LAGERTOPF VOLLST.
53 21.5441.41ZYLINDER-SCHR.M.INNEN6DIN 912
54 079.85.185ABDECKSCHEIBE
56 079.85.197KEILRIEMENSCHEIBE
57 25.3198.13SPANNHUELSE DIN 1481
58 000.75.747KEILRIEMEN DIN 7753
59 079.85.251RIEMENSCHUTZ
60 079.85.261RADBOLZEN, VERZINKT
61 000.02.314SECHSKANTMUTTER VERZINKT
62 24.1421.18SECHSKANTMUTTER DIN 934
63 079.06.142ABSTUETZUNG
64 24.1426.18SICHERUNGSMUTTER DIN 985-8
65 21.1441.70SECHSKANTSCHRAUBE DIN 933
66 24.8195.18FEDERRING DIN 127
67 24.6486.18SCHEIBE DIN 9021-St
68 079.11.184KEILRIEMENSCHEIBENHAELFTE
69 079.11.164ISOLIERSCHRAUBE
70 079.85.236HOLMBRAKETTE VERZINKT
71 079.05.178HOLMISOLIERUNG
72 000.02.370PLASTITE-SCHRAUBE
73 24.1426.18SICHERUNGSMUTTER DIN 985-8
74 22.3419.25FLACHRD-SCHR.M 4KT-ANSDIN 603
75 24.6481.18SCHEIBE DIN 125
76 24.1426.18SICHERUNGSMUTTER DIN 985-8
77 079.05.531GLEITSTUECK RECHTS: SCHWARZ
78 079.05.530FUEHRUNGSSTANGE
79 079.05.532GLEITSTUECK LINKS:SCHWARZ 9005
80 079.05.533FUEHRUNGSBUEGEL VERZINKT
81 079.29.216RADBOLZEN
82 079.05.534KABELHALTERUNG
83 079.05.671OBERHOLM VOLLST.
84 079.38.792SCHALTER-STECKER-KOMBINATION
85 079.38.788GEGENLAGER ZU SSK
86 079.38.207BUEGEL SCHWARZ RAL 9005
87 25.3197.63SPANNHUELSE DIN 1481
88 079.05.592UNTERHOLM VERCHROMT
89 21.1443.79SECHSKANTSCHRAUBE DIN 931
90 079.05.304BIEGESCHUTZ:SCHWARZ RAL 9005
91 22.3419.32FLACHRUNDSCHRAUBE DIN 603
92 000.48.911HINWEISSCHILD
93 24.6481.18SCHEIBE DIN 125
94 24.8192.18FAECHERSCHEIBE DIN 6798
95 24.6486.18SCHEIBE DIN 9021-St
96 079.29.260SECHSKANTMUTTER
97 24.6271.15PASS UND STUETZSCHEIBEDIN 988
98 28.3591.20SICHERUNGSRING:20x1,2 DIN 471
99 079.11.185DISTANZSCHEIBE
100 24.6273.79PASS UND STUETZSCHEIBEDIN 988
102 079.11.272ISOLIER-SECHSKANTSCHRAUBE
103 24.6486.18SCHEIBE DIN 9021-St
104 24.1423.18SECHSKANTMUTTER DIN 439
105 24.8192.18FAECHERSCHEIBE DIN 6798
106 000.50.054RELIEFSCHILD MVE 400
107 000.48.952HINWEISSCHILD
108 24.6273.80PASS UND STUETZSCHEIBEDIN 988
109 000.70.555VERSCHLUSSTOPFEN F 14
110 000.20.623CONTACT-SCHEIBE M8
111 000.02.548KUNSTSTOFFLUEGELMUTTER
113 000.49.860HINWEISSCHILD
114 079.85.979HECKKLAPPE KPL.
115 079.85.239STANGE VERZINKT
116 000.02.427SCHNELLBEFESTIGER MIT KAPPE 7S
117 029.25.149HANDGRIFF
118 000.02.337PLASTITE-SCHRAUBE VERZINKT
119 079.80.868GRASFANGSACK VOLLST. SCHWARZ
120 079.80.867GRASFANGSACKGESTELL VOLLST.
Rasen
Bankeinzug, MasterCard, Visa, American Express, PayPal, Nachnahme, Vorauskasse, Sofortüberweisung
Qualitätsmanagement
Informieren Sie uns, wenn Sie einen Fehler gefunden haben.