Gutbrod TURBO HBSRE 04011.04 (1993) Ersatzteile
04011.04 (1993) TURBO HBSRE

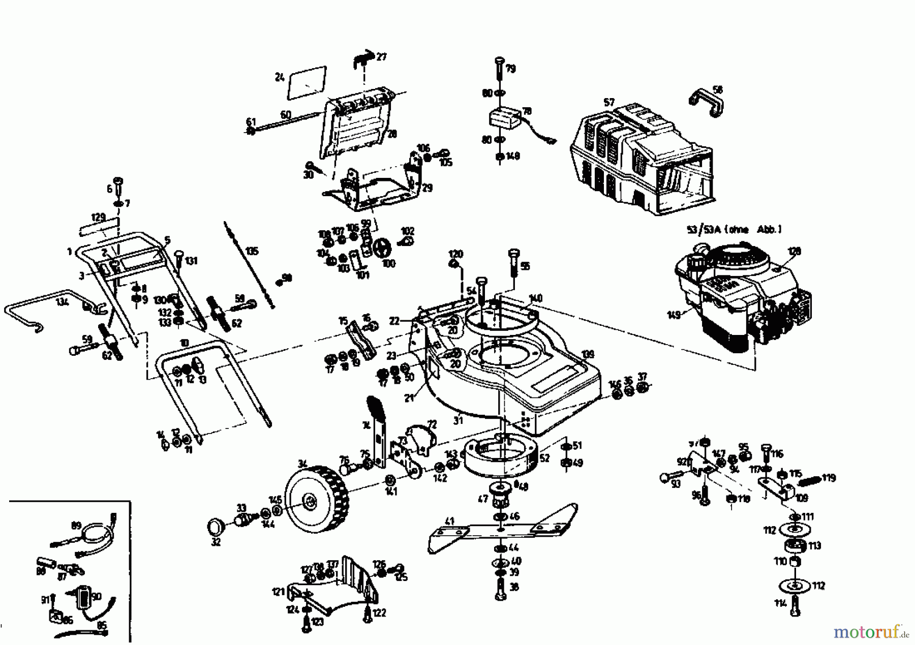
Hier finden Sie die Ersatzteilzeichnung für Gutbrod Motormäher mit Antrieb TURBO HBSRE 04011.04 (1993) Grundgerät. Wählen Sie das benötigte Ersatzteil aus der Ersatzteilliste Ihres Gutbrod Gerätes aus und bestellen Sie einfach online. Viele Gutbrod Ersatzteile halten wir ständig in unserem Lager für Sie bereit.


Qualitätsmanagement
Informieren Sie uns, wenn Sie einen Fehler gefunden haben.

