Gutbrod SB 51 R 02608.04 (1989) Ersatzteile
02608.04 (1989) SB 51 R

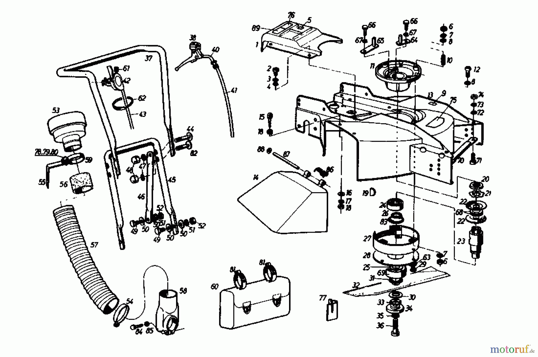
Hier finden Sie die Ersatzteilzeichnung für Gutbrod Motormäher mit Antrieb SB 51 R 02608.04 (1989) Grundgerät. Wählen Sie das benötigte Ersatzteil aus der Ersatzteilliste Ihres Gutbrod Gerätes aus und bestellen Sie einfach online. Viele Gutbrod Ersatzteile halten wir ständig in unserem Lager für Sie bereit.


Qualitätsmanagement
Informieren Sie uns, wenn Sie einen Fehler gefunden haben.


