Gutbrod MS 482 PR 04016.03 (1993) Ersatzteile
04016.03 (1993) MS 482 PR

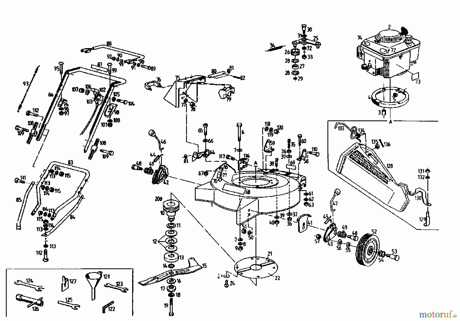
Hier finden Sie die Ersatzteilzeichnung für Gutbrod Motormäher mit Antrieb MS 482 PR 04016.03 (1993) Grundgerät. Wählen Sie das benötigte Ersatzteil aus der Ersatzteilliste Ihres Gutbrod Gerätes aus und bestellen Sie einfach online. Viele Gutbrod Ersatzteile halten wir ständig in unserem Lager für Sie bereit.


Qualitätsmanagement
Informieren Sie uns, wenn Sie einen Fehler gefunden haben.

