Gutbrod MH 544 R 04031.04 (1996) Holm Ersatzteile
Holm 04031.04 (1996)

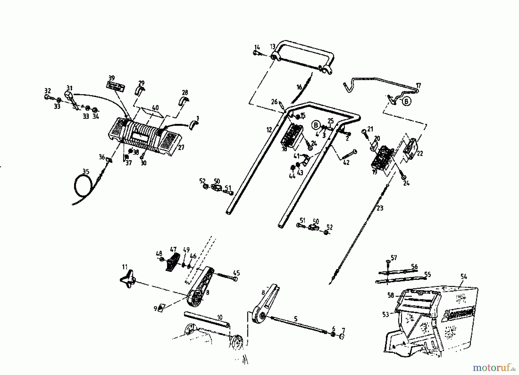
Hier finden Sie die Ersatzteilzeichnung für Gutbrod Motormäher mit Antrieb MH 544 R 04031.04 (1996) Holm. Wählen Sie das benötigte Ersatzteil aus der Ersatzteilliste Ihres Gutbrod Gerätes aus und bestellen Sie einfach online. Viele Gutbrod Ersatzteile halten wir ständig in unserem Lager für Sie bereit.


Qualitätsmanagement
Informieren Sie uns, wenn Sie einen Fehler gefunden haben.

