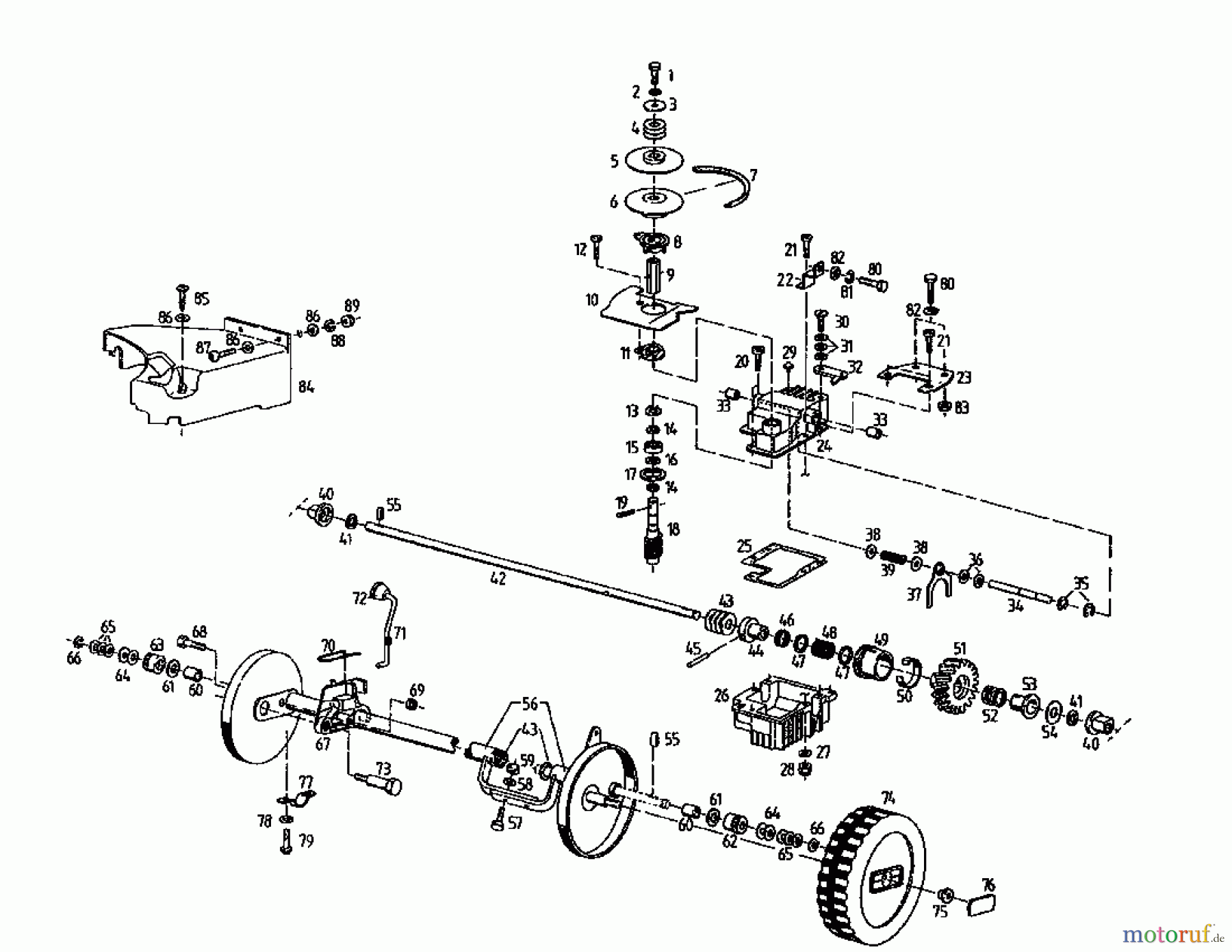
Gutbrod MH 454 RV 04024.04 (1996) Getriebe, Räder Ersatzteile
Getriebe, Räder 04024.04 (1996)

Hier finden Sie die Ersatzteilzeichnung für Gutbrod Motormäher mit Antrieb MH 454 RV 04024.04 (1996) Getriebe, Räder. Wählen Sie das benötigte Ersatzteil aus der Ersatzteilliste Ihres Gutbrod Gerätes aus und bestellen Sie einfach online. Viele Gutbrod Ersatzteile halten wir ständig in unserem Lager für Sie bereit.





