Gutbrod MH 454 RSEB 04024.01 (1995) Ersatzteile
04024.01 (1995) MH 454 RSEB

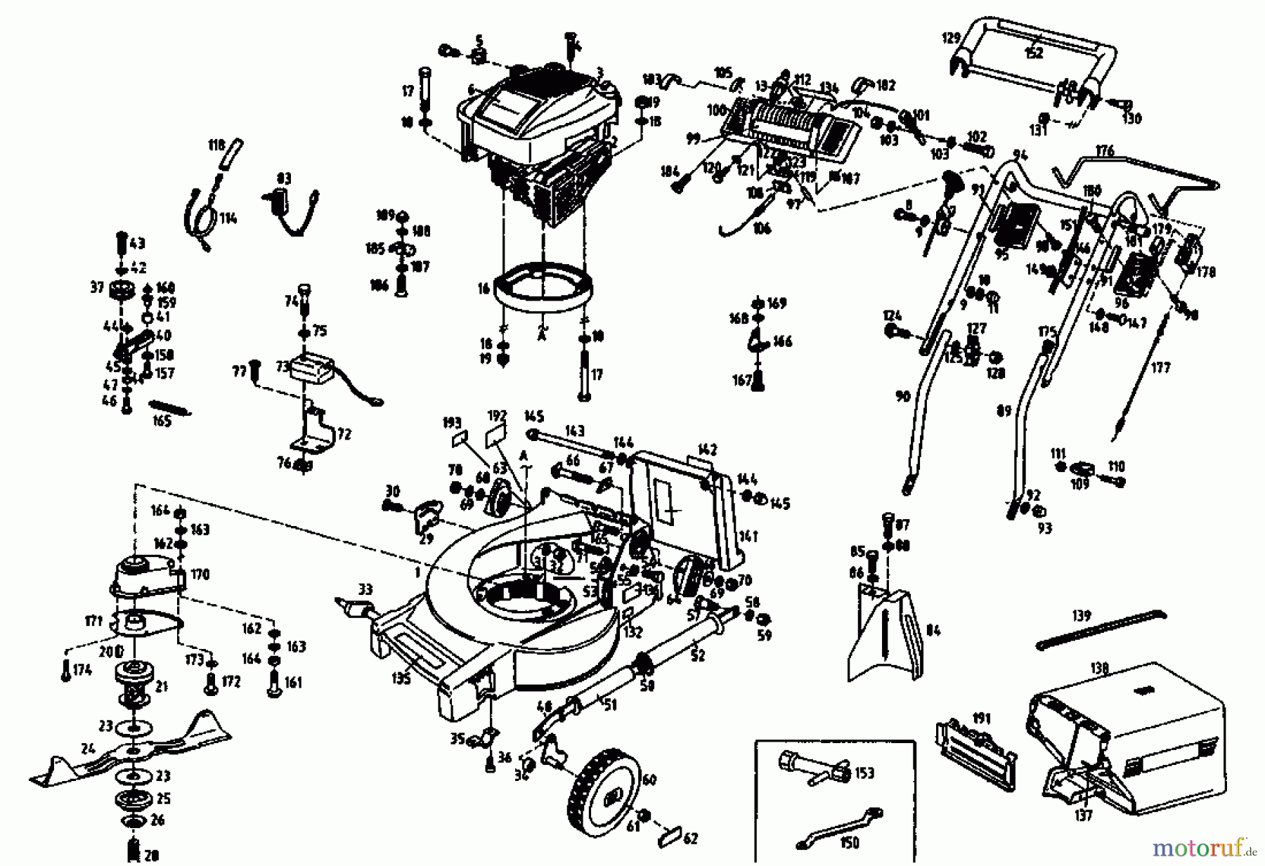
Hier finden Sie die Ersatzteilzeichnung für Gutbrod Motormäher mit Antrieb MH 454 RSEB 04024.01 (1995) Grundgerät. Wählen Sie das benötigte Ersatzteil aus der Ersatzteilliste Ihres Gutbrod Gerätes aus und bestellen Sie einfach online. Viele Gutbrod Ersatzteile halten wir ständig in unserem Lager für Sie bereit.



