Gutbrod MH 454 RB 04006.07 (1994) Ersatzteile
04006.07 (1994) MH 454 RB

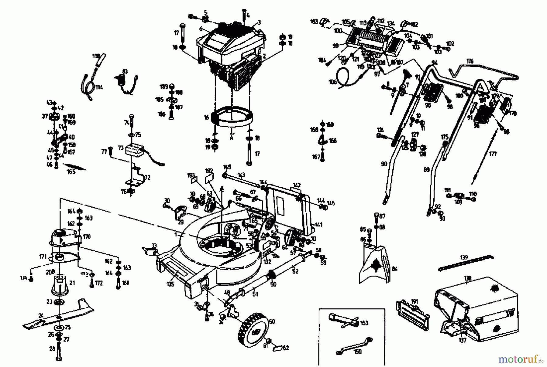
Hier finden Sie die Ersatzteilzeichnung für Gutbrod Motormäher mit Antrieb MH 454 RB 04006.07 (1994) Grundgerät. Wählen Sie das benötigte Ersatzteil aus der Ersatzteilliste Ihres Gutbrod Gerätes aus und bestellen Sie einfach online. Viele Gutbrod Ersatzteile halten wir ständig in unserem Lager für Sie bereit.


Qualitätsmanagement
Informieren Sie uns, wenn Sie einen Fehler gefunden haben.

