Gutbrod HBA 5160 RLSK 12A-Y77D690 (2004) Ersatzteile
12A-Y77D690 (2004) HBA 5160 RLSK

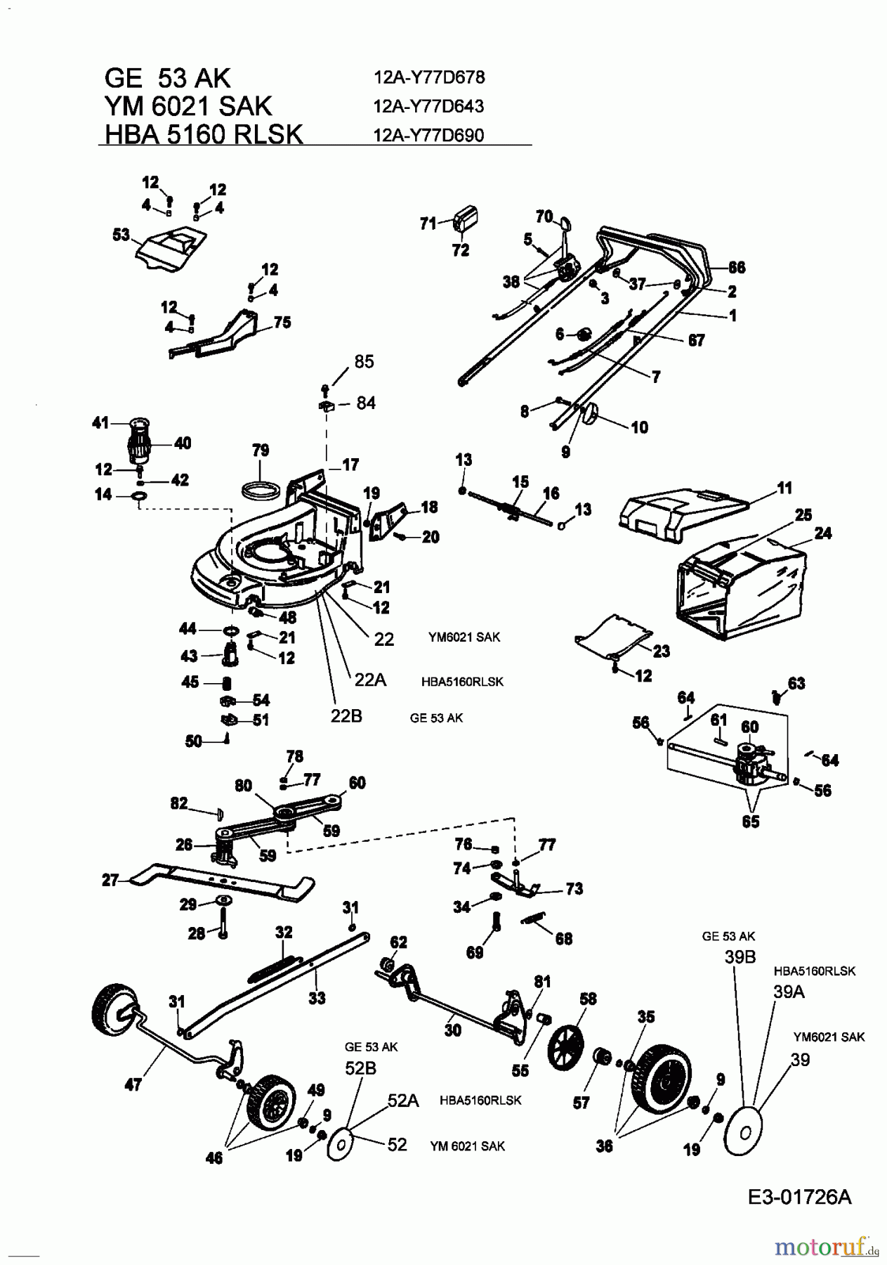
Hier finden Sie die Ersatzteilzeichnung für Gutbrod Motormäher mit Antrieb HBA 5160 RLSK 12A-Y77D690 (2004) Grundgerät. Wählen Sie das benötigte Ersatzteil aus der Ersatzteilliste Ihres Gutbrod Gerätes aus und bestellen Sie einfach online. Viele Gutbrod Ersatzteile halten wir ständig in unserem Lager für Sie bereit.


Qualitätsmanagement
Informieren Sie uns, wenn Sie einen Fehler gefunden haben.


