Gutbrod HB 58 RLCK 12A-997D690 (2005) Ölmeßstab Ersatzteile
Ölmeßstab 12A-997D690 (2005)

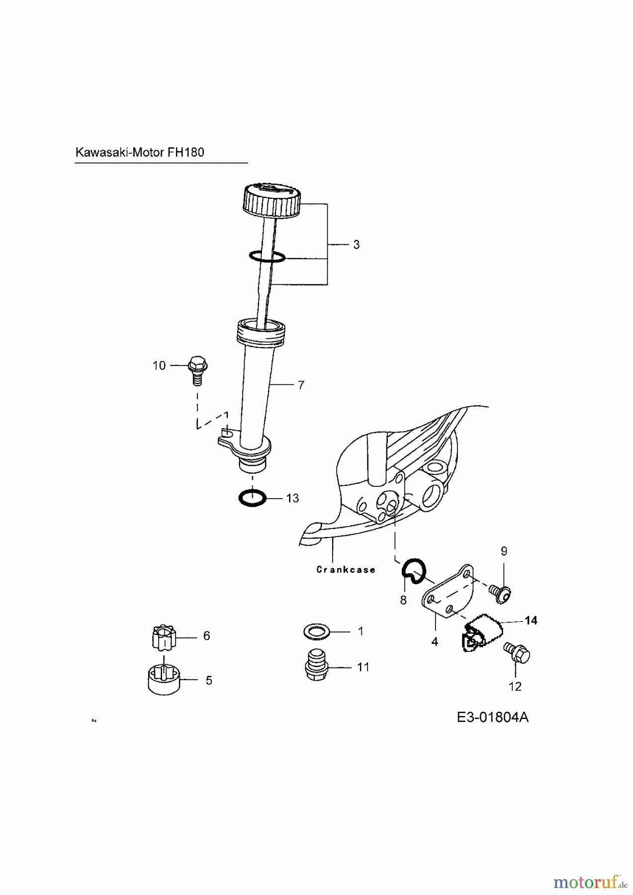
Hier finden Sie die Ersatzteilzeichnung für Gutbrod Motormäher mit Antrieb HB 58 RLCK 12A-997D690 (2005) Ölmeßstab. Wählen Sie das benötigte Ersatzteil aus der Ersatzteilliste Ihres Gutbrod Gerätes aus und bestellen Sie einfach online. Viele Gutbrod Ersatzteile halten wir ständig in unserem Lager für Sie bereit.


Qualitätsmanagement
Informieren Sie uns, wenn Sie einen Fehler gefunden haben.

