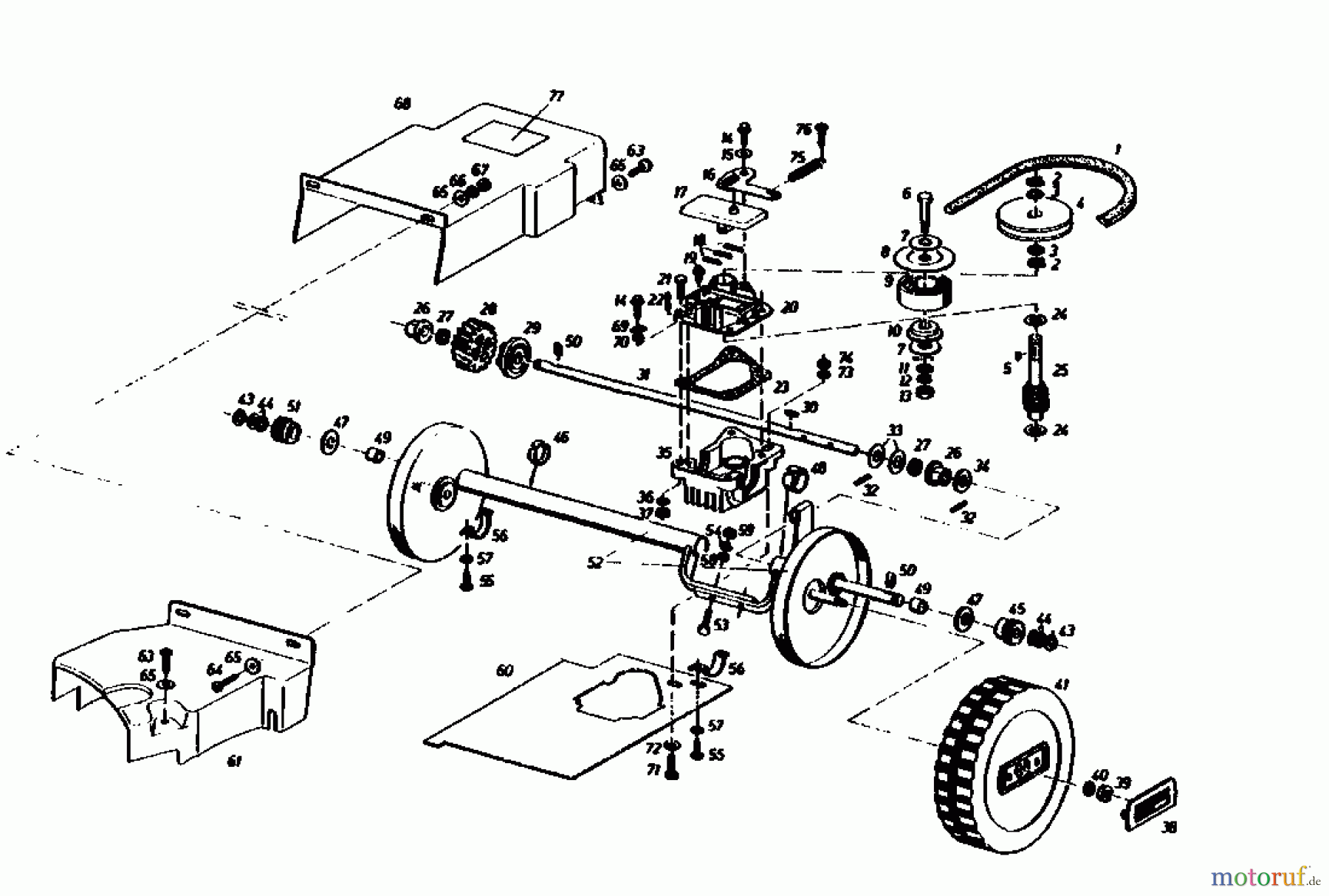
Gutbrod HB 55 REL 02882.02 (1986) Getriebe Ersatzteile
Getriebe 02882.02 (1986)

Hier finden Sie die Ersatzteilzeichnung für Gutbrod Motormäher mit Antrieb HB 55 REL 02882.02 (1986) Getriebe. Wählen Sie das benötigte Ersatzteil aus der Ersatzteilliste Ihres Gutbrod Gerätes aus und bestellen Sie einfach online. Viele Gutbrod Ersatzteile halten wir ständig in unserem Lager für Sie bereit.


Qualitätsmanagement
Informieren Sie uns, wenn Sie einen Fehler gefunden haben.



