Gutbrod HB 54 RAS 12BSQ79U690 (2002) Getriebe, Räder Ersatzteile
Getriebe, Räder 12BSQ79U690 (2002)

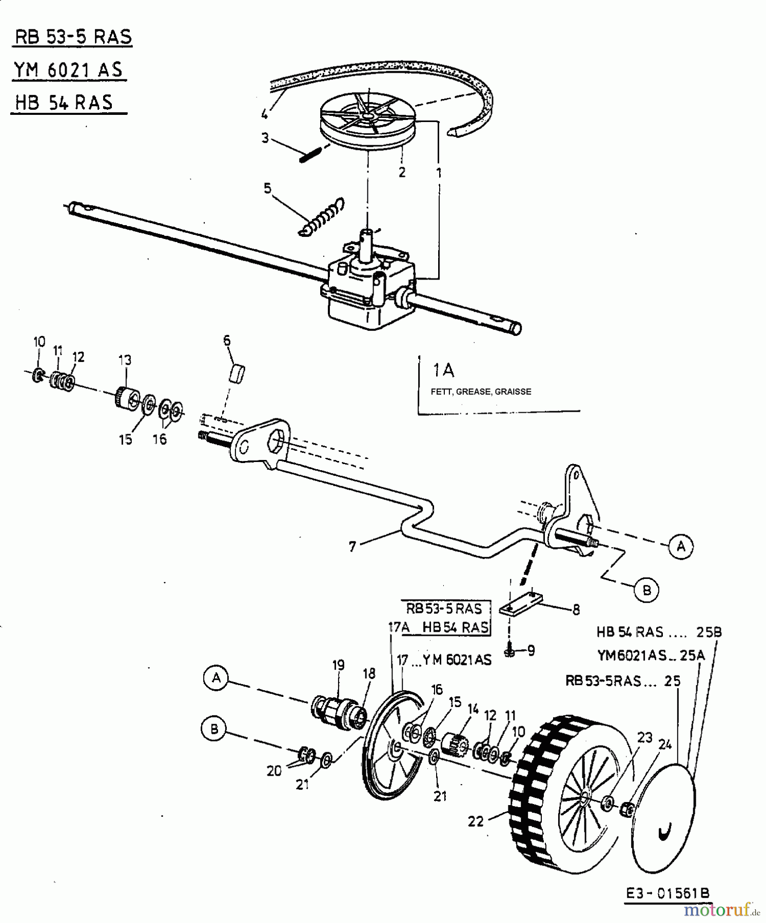
Hier finden Sie die Ersatzteilzeichnung für Gutbrod Motormäher mit Antrieb HB 54 RAS 12BSQ79U690 (2002) Getriebe, Räder. Wählen Sie das benötigte Ersatzteil aus der Ersatzteilliste Ihres Gutbrod Gerätes aus und bestellen Sie einfach online. Viele Gutbrod Ersatzteile halten wir ständig in unserem Lager für Sie bereit.


Qualitätsmanagement
Informieren Sie uns, wenn Sie einen Fehler gefunden haben.




