Gutbrod HB 54 RA 12B-Q78T690 (2003) Räder vorne, Schnitthöhenverstellung Ersatzteile
Räder vorne, Schnitthöhenverstellung 12B-Q78T690 (2003)

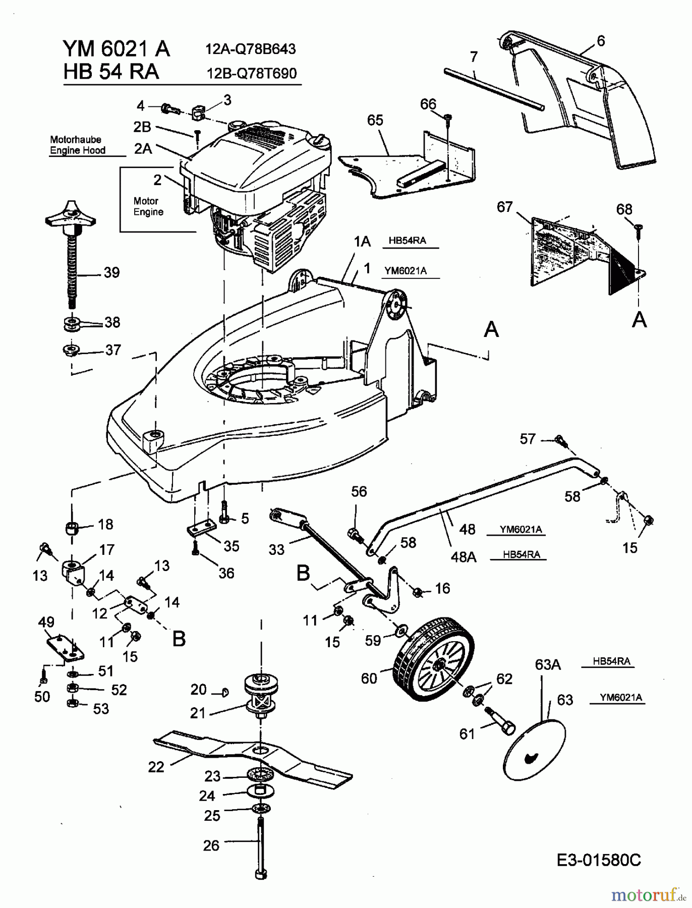
Hier finden Sie die Ersatzteilzeichnung für Gutbrod Motormäher mit Antrieb HB 54 RA 12B-Q78T690 (2003) Räder vorne, Schnitthöhenverstellung. Wählen Sie das benötigte Ersatzteil aus der Ersatzteilliste Ihres Gutbrod Gerätes aus und bestellen Sie einfach online. Viele Gutbrod Ersatzteile halten wir ständig in unserem Lager für Sie bereit.


Qualitätsmanagement
Informieren Sie uns, wenn Sie einen Fehler gefunden haben.






