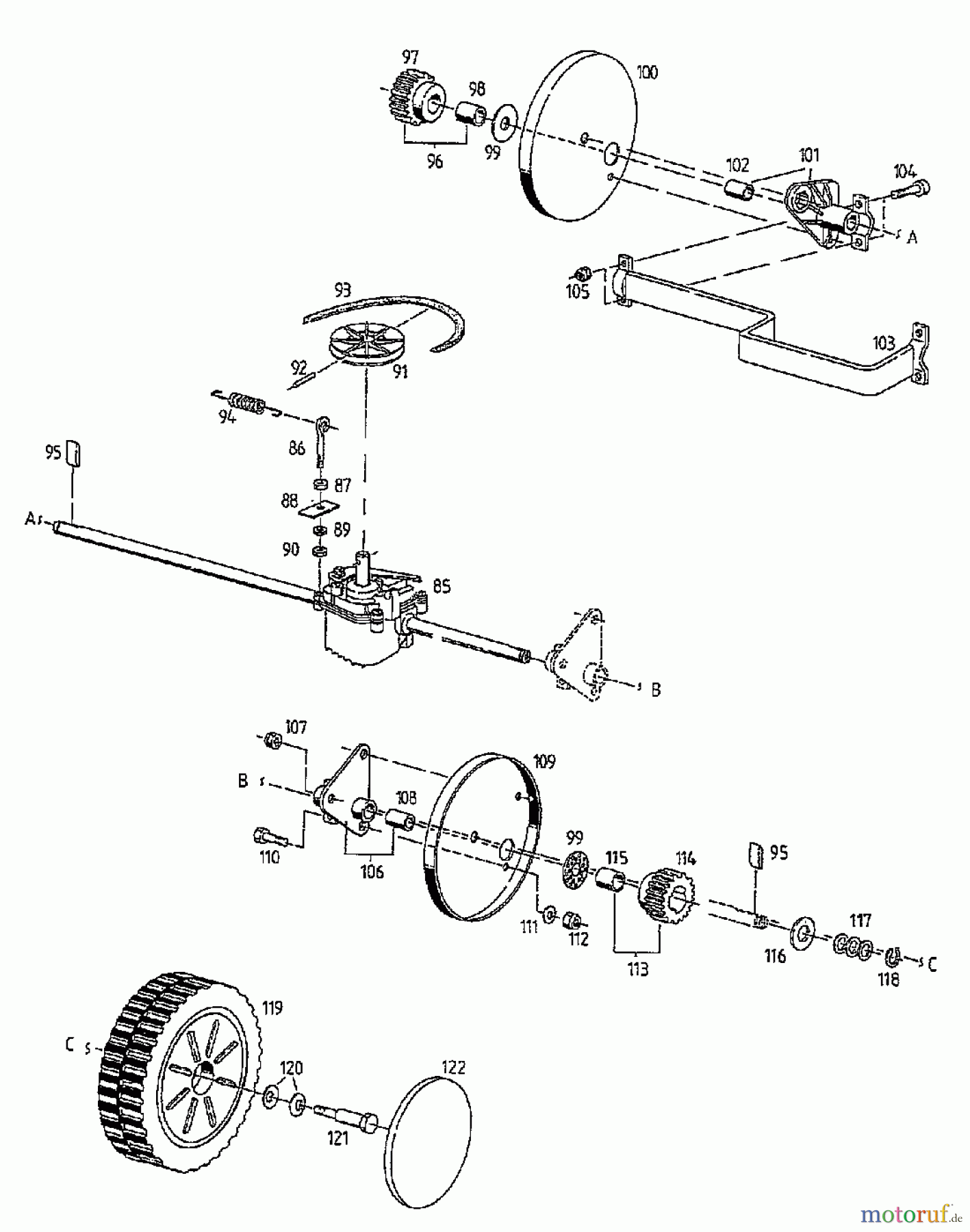
Gutbrod HB 48 RL 02815.04 (1997) Getriebe, Räder Ersatzteile
Getriebe, Räder 02815.04 (1997)

Hier finden Sie die Ersatzteilzeichnung für Gutbrod Motormäher mit Antrieb HB 48 RL 02815.04 (1997) Getriebe, Räder. Wählen Sie das benötigte Ersatzteil aus der Ersatzteilliste Ihres Gutbrod Gerätes aus und bestellen Sie einfach online. Viele Gutbrod Ersatzteile halten wir ständig in unserem Lager für Sie bereit.






