Gutbrod HB 48 RELS 12CET78S690 (2001) Grasfangkorb, Holm, Messer Ersatzteile
Grasfangkorb, Holm, Messer 12CET78S690 (2001)

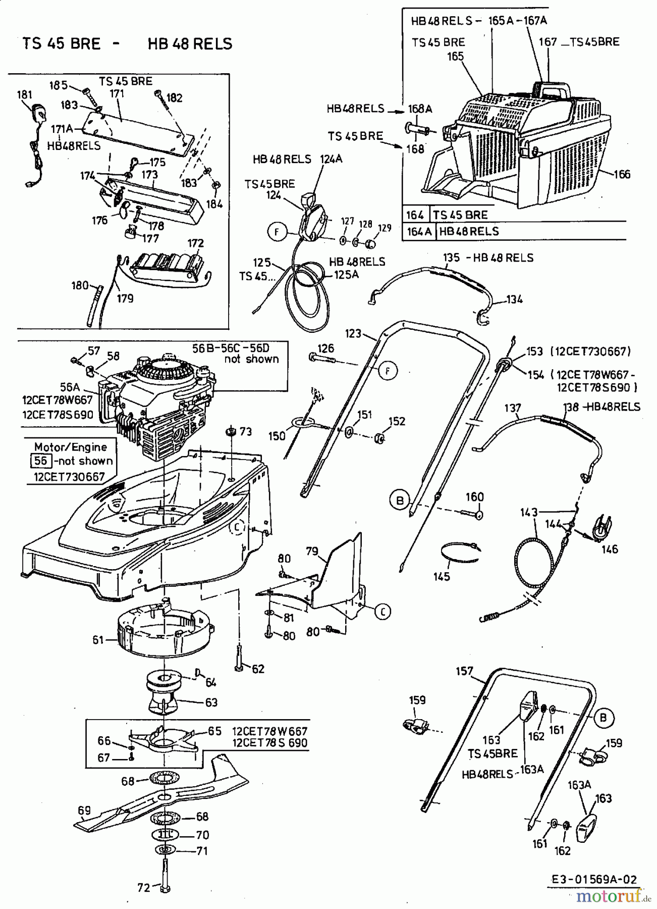
Hier finden Sie die Ersatzteilzeichnung für Gutbrod Motormäher mit Antrieb HB 48 RELS 12CET78S690 (2001) Grasfangkorb, Holm, Messer. Wählen Sie das benötigte Ersatzteil aus der Ersatzteilliste Ihres Gutbrod Gerätes aus und bestellen Sie einfach online. Viele Gutbrod Ersatzteile halten wir ständig in unserem Lager für Sie bereit.


Qualitätsmanagement
Informieren Sie uns, wenn Sie einen Fehler gefunden haben.
























