Gutbrod HB 48 REL 02815.05 (1995) Ersatzteile
02815.05 (1995) HB 48 REL

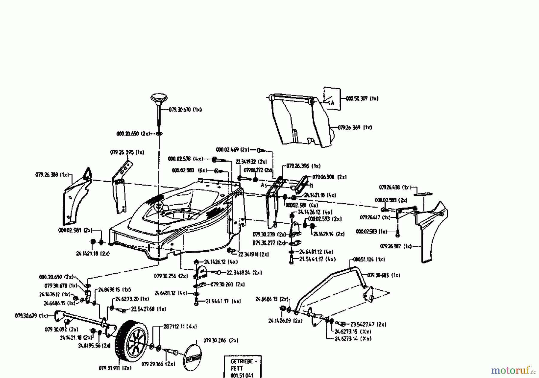
Hier finden Sie die Ersatzteilzeichnung für Gutbrod Motormäher mit Antrieb HB 48 REL 02815.05 (1995) Grundgerät. Wählen Sie das benötigte Ersatzteil aus der Ersatzteilliste Ihres Gutbrod Gerätes aus und bestellen Sie einfach online. Viele Gutbrod Ersatzteile halten wir ständig in unserem Lager für Sie bereit.


Qualitätsmanagement
Informieren Sie uns, wenn Sie einen Fehler gefunden haben.

