Gutbrod HB 47 R-4 BS 04001.01 (1990) Ersatzteile
04001.01 (1990) HB 47 R-4 BS

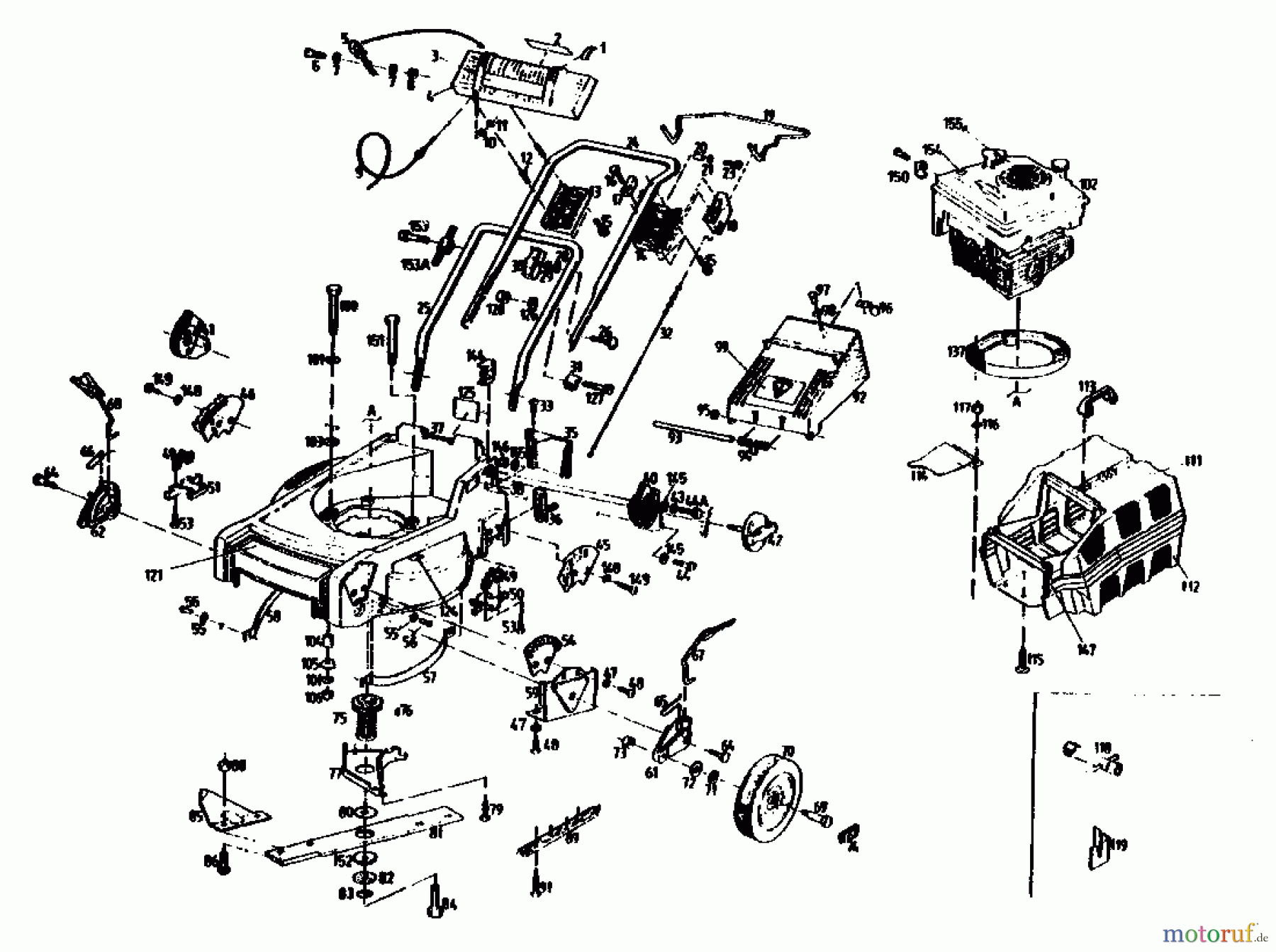
Hier finden Sie die Ersatzteilzeichnung für Gutbrod Motormäher mit Antrieb HB 47 R-4 BS 04001.01 (1990) Grundgerät. Wählen Sie das benötigte Ersatzteil aus der Ersatzteilliste Ihres Gutbrod Gerätes aus und bestellen Sie einfach online. Viele Gutbrod Ersatzteile halten wir ständig in unserem Lager für Sie bereit.



